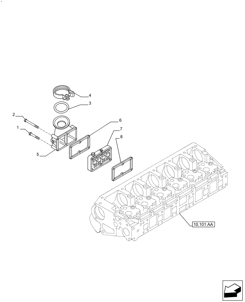
Запчасти Case F2CFE614F B005 (10.254.AM) - INTAKE & EXHAUST MANIFOLD (10) - ENGINE

Схема запчастей Case F2CFE614F B005 - (10.254.AM) - INTAKE & EXHAUST MANIFOLD (10) - ENGINE
10.101.aa
8
1
4
7
3
5
2
6
FIT
1:1
100%

Артикул

Название

Примечание

Количество

1

16593125

BOLT,M10 x 100mm

5шт.

2

16599325

SCREW,M10 x 150mm

1шт.

3

17291281

GASKET,94.84mm ID x 3.53mm Thk

94,84mm Dia 3,53mm Thk

1шт.

4

99435103

COLLAR CLAMP

1шт.

5

504074687

MANIFOLD

1шт.

6

504026624

GASKET

1шт.

6

504375264

GASKET,0.3mm Thk

1шт.

7

NS

NOT SERVICED

Engine Heater

1шт.

8

5801706292

SPACER

1шт.

Выбрано товаров: 9