Запчасти Case F2CFE614F B005 (10.400.BB) - WATER PUMP (10) - ENGINE

Схема запчастей Case F2CFE614F B005 - (10.400.BB) - WATER PUMP (10) - ENGINE
3
2
10.001.ab
1
FIT
1:1
100%

Артикул

Название

Примечание

Количество

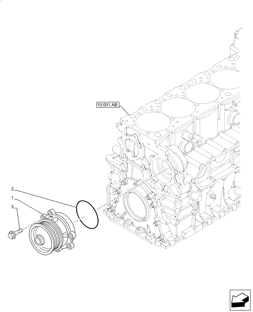
1

504361543

WATER PUMP

1шт.

2

17291781

GASKET

1шт.

3

16673735

BOLT,Hex, M8 x 1.25 x 25mm

4шт.

Выбрано товаров: 3