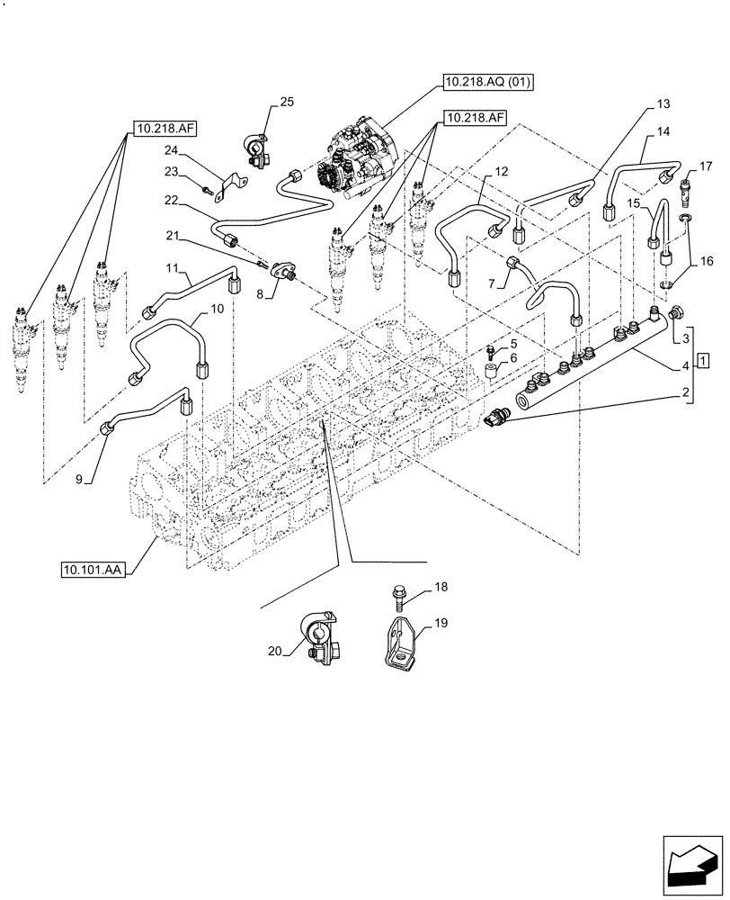
Запчасти Case F2CFE614F B005 (10.218.AI) - INJECTION PIPE (10) - ENGINE

Схема запчастей Case F2CFE614F B005 - (10.218.AI) - INJECTION PIPE (10) - ENGINE
13
1
24
10.218.af
23
17
11
10.218.af
20
12
8
7
10
14
21
22
25
9
5
2
6
16
10.218.aq (01)
4
3
15
10.101.aa
19
18
FIT
1:1
100%

Артикул

Название

Примечание

Количество

1

504373407

ACCUMULATOR

ASSY; Incl 2 - 4

1шт.

2

504382791

SENSOR

1шт.

3

504130662

VALVE

1шт.

4

NSS

NOT SOLD SEPARAT

Shaft; Incl in 1

1шт.

5

16586825

BOLT,Hex, M8 x 1.25 x 45mm

M8 x 1.25 x 45 mm

3шт.

6

504253853

SPACER

3шт.

7

504345093

TUBE

1шт.

8

504345104

HYD CONNECTOR

1шт.

9

504126981

INJECTION PIPE

1шт.

10

504126982

INJECTION PIPE

1шт.

11

504126983

INJECTION PIPE

1шт.

12

504126984

INJECTION PIPE

1шт.

13

504126985

INJECTION PIPE

1шт.

14

504126986

INJECTION PIPE

1шт.

15

504345222

TUBE

1шт.

16

87665413

SEALING WASHER,7.9mm ID x 17.0mm OD x 1.5mm Thk

D=10 x 17 x 2.3 mm

2шт.

17

504345096

BANJO BOLT

1шт.

18

16707034

BOLT,Flng, M8 x 16mm

M8 x 16 mm

1шт.

19

504312745

STEEL PLATE

1шт.

20

504358313

STEEL PLATE

1шт.

21

16585870

SCREW,Hex, M6 x 20mm

M6 x 20 mm

2шт.

22

504327363

TUBE

1шт.

23

16586225

BOLT,M8 x 16mm

M8x1.25x16 mm

2шт.

24

504236628

BRACKET, SUPPORTING

1шт.

25

504235264

BRACKET

1шт.

Выбрано товаров: 25