Качественные детали и логистика
Оригинальные и аналоговые запчасти с доставкой по России, Казахстану и Беларуси
©2022 PartSell ООО "Система" ИНН 2463123282 ОГРН 1212400004838
Центральный офис: г. Красноярск, Академика Киренского, д.87, пом.4
Телефон: 8 (800) 777-65-74 Email: zakaz@partsell.ru
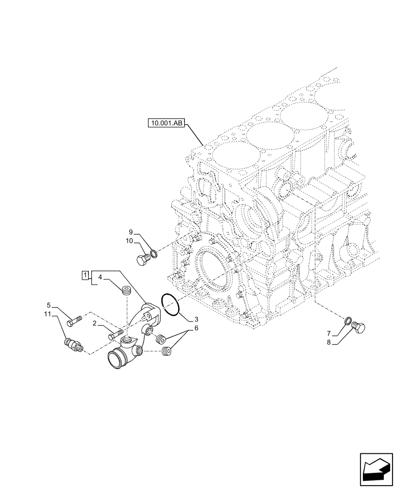
(10.400.AQ) - WATER PUMP LINE
№
Артикул
Название
Примечание
Количество
1
504385032
MANIFOLD
Assy, Incl 4
1шт.
2
16586925
BOLT,M8 x 50mm
3
17290081
GASKET
56,74mm Dia 3,53mm Thk
4
504113860
PLUG,Threaded, 1/2"
5
16592525
BOLT,M8 x 1.25 x 70mm
6
99430692
PLUG
1/2 Dia
2шт.
7
99489022
GASKET,22mm ID x 30mm OD x 1.50mm Thk
8
16992415
PLUG,M16 x 1.5
9
99489019
SEALING WASHER
M16 x 1,5
10
16992611
16 x 24mm Dia 1,5mm Thk
11
99464284
FITTING
M30 x 1,5
Выбрано товаров: 0