Запчасти Case F2CFE614H B005 (10.304.AM) - PRESSURE CONTROL VALVE (10) - ENGINE

Схема запчастей Case F2CFE614H B005 - (10.304.AM) - PRESSURE CONTROL VALVE (10) - ENGINE
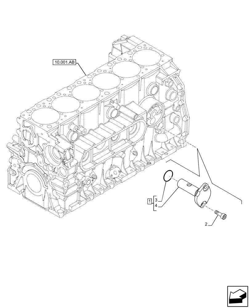
3
4
1
10.001.ab
2
FIT
1:1
100%

Артикул

Название

Примечание

Количество

1

504191876

VALVE

ASSY, Incl 3; 4

1шт.

2

18053625

SCREW,M8 x 16mm

M8 x 16mm

2шт.

3

17288681

O-RING

24.9mm Dia

1шт.

4

NSS

NOT SOLD SEPARAT

Valve, Incl in 1

1шт.

Выбрано товаров: 4