Качественные детали и логистика
Оригинальные и аналоговые запчасти с доставкой по России, Казахстану и Беларуси
©2022 PartSell ООО "Система" ИНН 2463123282 ОГРН 1212400004838
Центральный офис: г. Красноярск, Академика Киренского, д.87, пом.4
Телефон: 8 (800) 777-65-74 Email: zakaz@partsell.ru
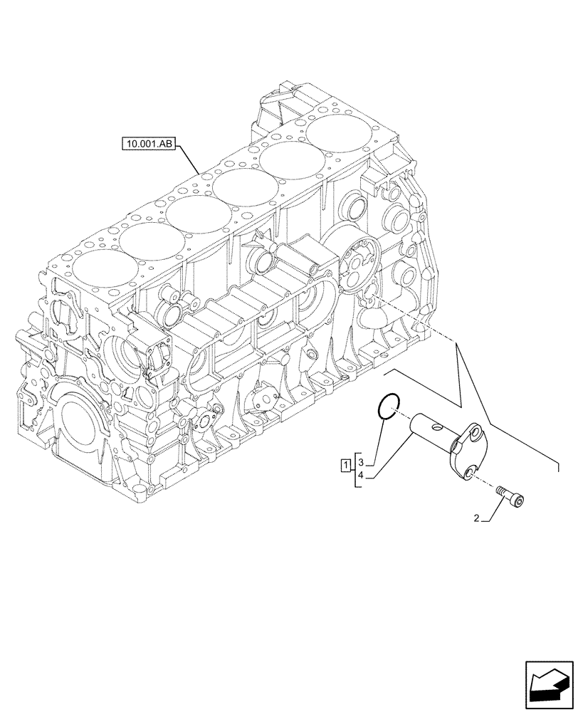
(10.304.AM) - PRESSURE CONTROL VALVE
№
Артикул
Название
Примечание
Количество
1
504191876
VALVE
ASSY, Incl 3; 4
1шт.
2
18053625
SCREW,M8 x 16mm
M8 x 16mm
2шт.
3
17288681
O-RING
24.9mm Dia
4
NSS
NOT SOLD SEPARAT
Valve, Incl in 1
Выбрано товаров: 0