Запчасти Case F2CFE614H B005 (10.400.AQ) - WATER PUMP LINE (10) - ENGINE

Схема запчастей Case F2CFE614H B005 - (10.400.AQ) - WATER PUMP LINE (10) - ENGINE
4
2
8
10
10.001.ab
3
6
5
7
9
11
1
FIT
1:1
100%

Артикул

Название

Примечание

Количество

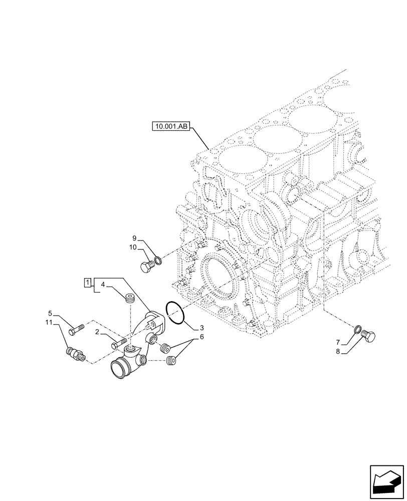
1

504385032

MANIFOLD

Assy, Incl 4

1шт.

2

16586925

BOLT,M8 x 50mm

1шт.

3

17290081

GASKET

56,74mm Dia 3,53mm Thk

1шт.

4

504113860

PLUG,Threaded, 1/2"

1шт.

5

16592525

BOLT,M8 x 1.25 x 70mm

1шт.

6

99430692

PLUG

1/2 Dia

2шт.

7

99489022

GASKET,22mm ID x 30mm OD x 1.50mm Thk

1шт.

8

16992415

PLUG,M16 x 1.5

1шт.

9

99489019

SEALING WASHER

M16 x 1,5

1шт.

10

16992611

PLUG

16 x 24mm Dia 1,5mm Thk

1шт.

11

99464284

FITTING

M30 x 1,5

1шт.

Выбрано товаров: 11