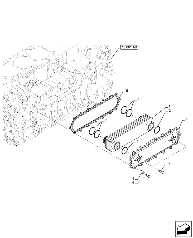
Запчасти Case F2CFE614H B005 (10.408.AC) - HEAT EXCHANGER (10) - ENGINE

Схема запчастей Case F2CFE614H B005 - (10.408.AC) - HEAT EXCHANGER (10) - ENGINE
5
1
4
2
7
3
2
10.001.ab
8
6
3
FIT
1:1
100%

Артикул

Название

Примечание

Количество

1

504127469

OIL COOLER

1шт.

2

17283481

O-RING

42.5mm Dia 2.6mm Thk

2шт.

3

17289781

O-RING

47.22mm Dia 3.55mm Thk

4шт.

4

504127468

COVER

1шт.

5

504128027

GASKET

1шт.

6

16674434

SCREW

M8 x 50mm

16шт.

7

16588025

SCREW,M12 x 30mm

2шт.

8

17816414

SPACER

8.5 x 18mm Dia 20mm Thk

16шт.

Выбрано товаров: 8