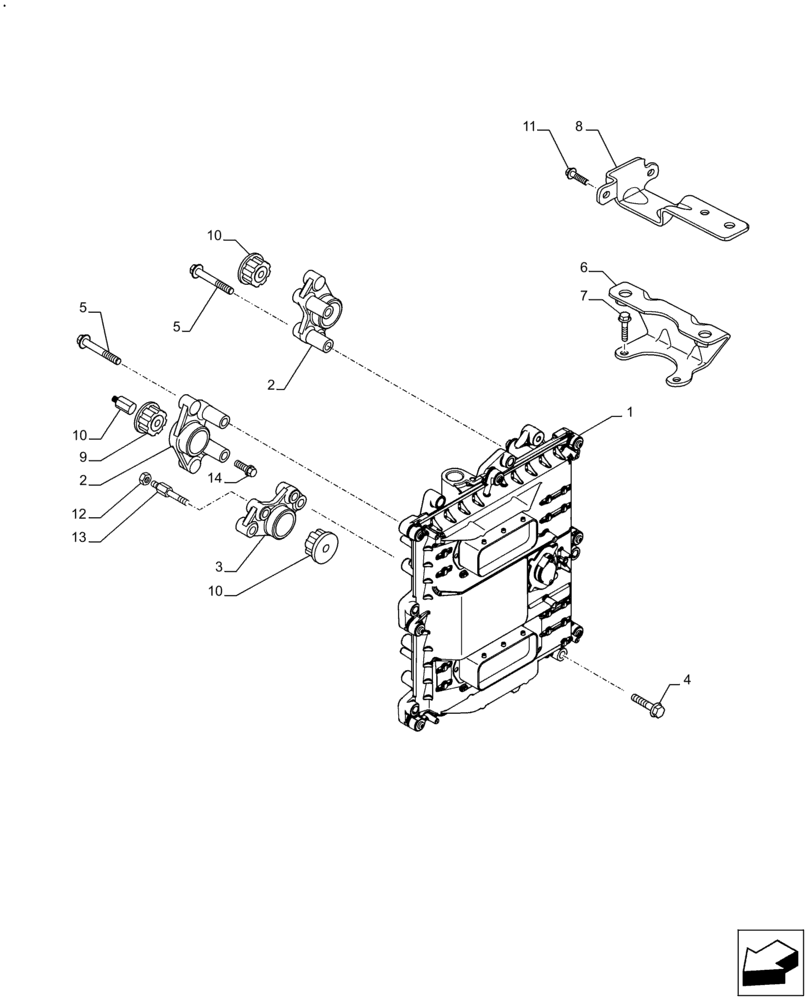
Запчасти Case F2CFE614H B005 (55.015.AA) - ELECTRONIC CONTROL UNIT (55) - ELECTRICAL SYSTEMS

Схема запчастей Case F2CFE614H B005 - (55.015.AA) - ELECTRONIC CONTROL UNIT (55) - ELECTRICAL SYSTEMS
8
5
14
2
9
13
1
11
10
10
3
5
7
2
4
10
12
6
FIT
1:1
100%

Артикул

Название

Примечание

Количество

1

504388754

CONTROL UNIT

1шт.

2

5801624736

SUPPORT

2шт.

3

5801564789

SUPPORT

M6 x 30mm

1шт.

4

16586025

SCREW,Hex, M6 x 30mm

2шт.

5

17935001

SELF-TAP SCREW,Hex Flng, M5.5 x 1.8 x 45mm

4шт.

6

5801643600

RETAINER

1шт.

7

1659725

2шт.

8

5801662800

RETAINER

M6 x 18mm

1шт.

9

5801384188

SPACER

1шт.

10

5801406998

SHOCK ABSORBER

1шт.

11

17933601

SCREW

1шт.

12

17044735

NUT,Hex, M8

M8

1шт.

13

5801384187

1шт.

14

16586825

BOLT,Hex, M8 x 1.25 x 45mm

2шт.

Выбрано товаров: 14