Запчасти Case F3AE0684G B001 (0.04.3[01]) - FLYWHEEL CASE (500361137)

Схема запчастей Case F3AE0684G B001 - (0.04.3[01]) - FLYWHEEL CASE (500361137)
3
9
8
13
5
9
11
12
2
1
7
4
6
10
0.04.0
FIT
1:1
100%

Артикул

Название

Примечание

Количество

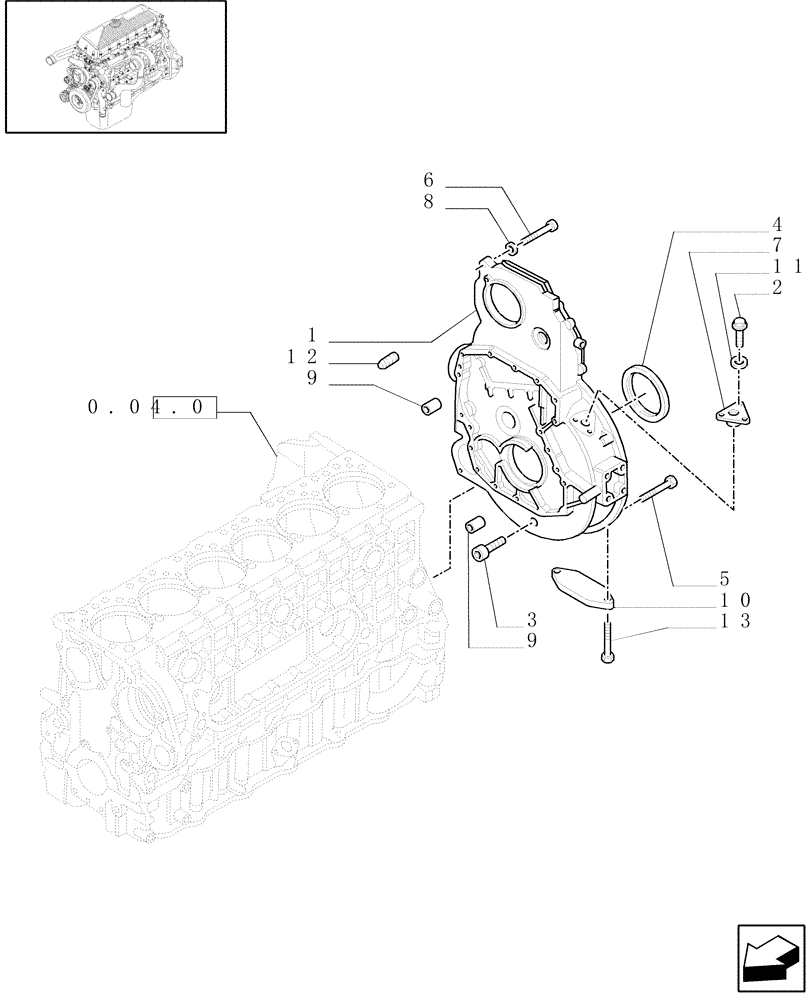
1

500310414

HOUSING

INCL.REF.12

1шт.

2

61315661

BOLT

1шт.

3

16992911

PLUG

M52X2

1шт.

4

40102693

GASKET

1шт.

5

2853920

SCREW

M12X1,75X35

4шт.

5

2852324

SCREW

M12X1,75X120

1шт.

5

99475978

SCREW

2шт.

5

16588824

SCREW,M12 x 1.75 x 70mm

M12X1,75X70

2шт.

6

2852403

FLANGE BOLT,Hex, M10 x 1.5 x 30mm

2шт.

7

99472521

COVER

1шт.

8

98474305

SEALING WASHER

D=10 x 17 x 2.3 mm

2шт.

9

10839810

DOWEL,12mm OD x 18mm L

2шт.

10

4851842

COVER

1шт.

11

14496521

WASHER,8.4mm ID x 17mm OD x 1.6mm Thk

1шт.

12

500323467

THREADED INSERT

8шт.

13

2852323

SCREW,M8 x 1.25 x 14mm

M8X14

5шт.

Выбрано товаров: 0