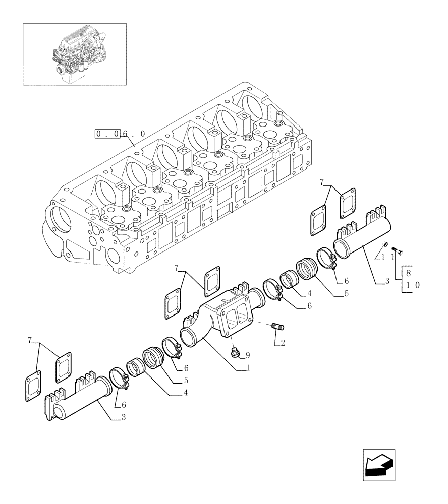
Запчасти Case F3AE0684G B003 (0.07.8[01]) - EXHAUST MANIFOLD (500338894)

Схема запчастей Case F3AE0684G B003 - (0.07.8[01]) - EXHAUST MANIFOLD (500338894)
11
7
6
9
7
0.06.0
6
3
5
1
3
6
5
6
8
2
7
4
10
4
FIT
1:1
100%

Артикул

Название

Примечание

Количество

1

500335873

EXHAUST MANIFOLD

1шт.

2

16731370

STUD

M10 x 30

2шт.

3

99434992

EXHAUST MANIFOLD

2шт.

4

99440118

RING

2шт.

5

2859383

LOCKING RING

2шт.

6

500305815

CLAMP

4шт.

7

99440116

GASKET

6шт.

8

99443210

SCREW,M10 x 1.5 x 40

M10x1,5x40 mm

24шт.

9

99441940

PLUG

M12X1.5

2шт.

10

504078465

FLANGE BOLT,M10 x 1.5 x 70mm

M10x1,5x70 mm

24шт.

11

504074155

SPACER

24шт.

Выбрано товаров: 11