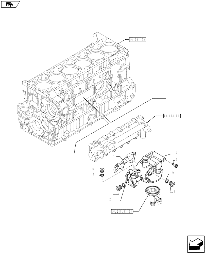
Запчасти Case F3AE0684K E910 (10.206.02 01) - FILTER ENGINE OIL - SUPPORT - MY11 8120 (10) - ENGINE

Схема запчастей Case F3AE0684K E910 - (10.206.02 01) - FILTER ENGINE OIL - SUPPORT - MY11 8120 (10) - ENGINE
5
4
3
10.408.01
6
10.001.02
home
10.218.01 03
7
2
1
9
8
FIT
1:1
100%

Артикул

Название

Примечание

Количество

1

10278301

PLUG,M28 x 1.5 x 11, Brass

1шт.

2

99432291

GASKET,28mm ID

1шт.

3

504013552

SUPPORT

1шт.

4

504013562

GASKET

1шт.

5

2852267

FLANGE BOLT,Hex, M8 x 1.25 x 90mm

5шт.

6

10300714

PLUG,M16 x 1.5 x 14

1шт.

7

99489019

SEALING WASHER

1шт.

8

16993711

PLUG,M35 x 1.5

1шт.

9

99469380

GASKET,33mm ID x 45mm OD x 2.8mm Thk

1шт.

Выбрано товаров: 9