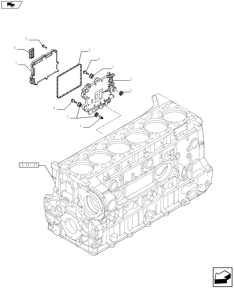
Запчасти Case F3AE0684K E910 (55.440.01) - ELECTRONIC INJECTION - MY11 8120 (55) - ELECTRICAL SYSTEMS

Схема запчастей Case F3AE0684K E910 - (55.440.01) - ELECTRONIC INJECTION - MY11 8120 (55) - ELECTRICAL SYSTEMS
2
7
7
8
5
6
1
6
10.001.02
home
4
7
3
FIT
1:1
100%

Артикул

Название

Примечание

Количество

1

2854594

ECU

1шт.

1

2854594R

REMAN-MODULE

1шт.

1

2854594C

CORE-MODULE

Return Number

1шт.

2

504097239

SUPPORT

1шт.

3

504184521

GASKET

1шт.

4

99475194

SPACER

1шт.

5

16586024

SCREW,M8 x 30mm

M6 x 30

8шт.

6

16586824

SCREW,M8 x 45mm

M8 x 45

3шт.

7

98498817

ISOLATOR

6шт.

8

504043102

PLUG

1шт.

Выбрано товаров: 10