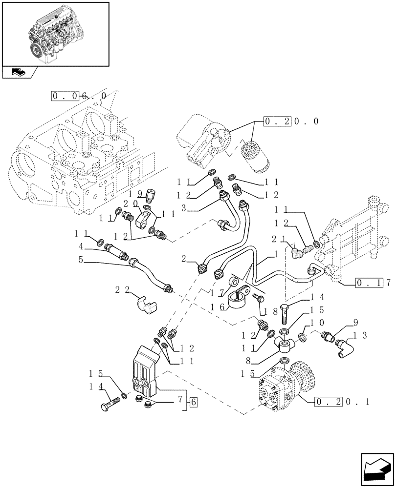
Запчасти Case F3AE0684S E908 (0.20.3) - FUEL LINES & RELATED PARTS (504139466 - 504196117 - 504078280 - 504055384 - 504055372/81)

Схема запчастей Case F3AE0684S E908 - (0.20.3) - FUEL LINES & RELATED PARTS (504139466 - 504196117 - 504078280 - 504055384 - 504055372/81)
13
11
19
11
4
2
16
15
14
7
3
11
5
12
11
12
11
20
14
18
1
9
17
11
22
12
15
11
11
10
0.20.1
0.20.0
0.06.0
0.17.0
15
21
8
6
home
12
12
12
FIT
1:1
100%

Артикул

Название

Примечание

Количество

1

504132108

TUBE

1шт.

2

500348310

TUBE

1шт.

3

504251197

TUBE

1шт.

4

500310076

FITTING

1шт.

5

500348301

TUBE

1шт.

6

500314313

CONNECTING BLOCK

- ASSY

1шт.

7

98472271

PLUG

2шт.

8

500348306

ELBOW

1шт.

9

500328251

VALVE PRESSURE RELIE

1шт.

10

5169544

SEAL,14.7mm ID x 22mm OD x 1.5mm Thk

D=12 mm

1шт.

11

99489019

SEALING WASHER

D=16X24X1.5 mm

9шт.

12

16500314

FITTING

M16X1.5 - M18X1.5 mm

8шт.

13

500350162

ELBOW

1шт.

14

4864084

BANJO BOLT

M16 x 1.5

3шт.

15

98474309

GASKET,16mm ID x 24mm OD x 1.9mm Thk

D=16X24X1,9 mm

6шт.

16

17316599

CLAMP

3шт.

17

2855105

SPACER

2шт.

18

2852323

SCREW,M8 x 1.25 x 14mm

M8 x 14

1шт.

18

16586425

BOLT,M8 x 25mm

M8 x 25

2шт.

19

504112433

VALVE

1шт.

20

504125079

UNION

1шт.

21

16504114

ELBOW

M18 x 1.5

1шт.

22

500306941

CLAMP

1шт.

Выбрано товаров: 23