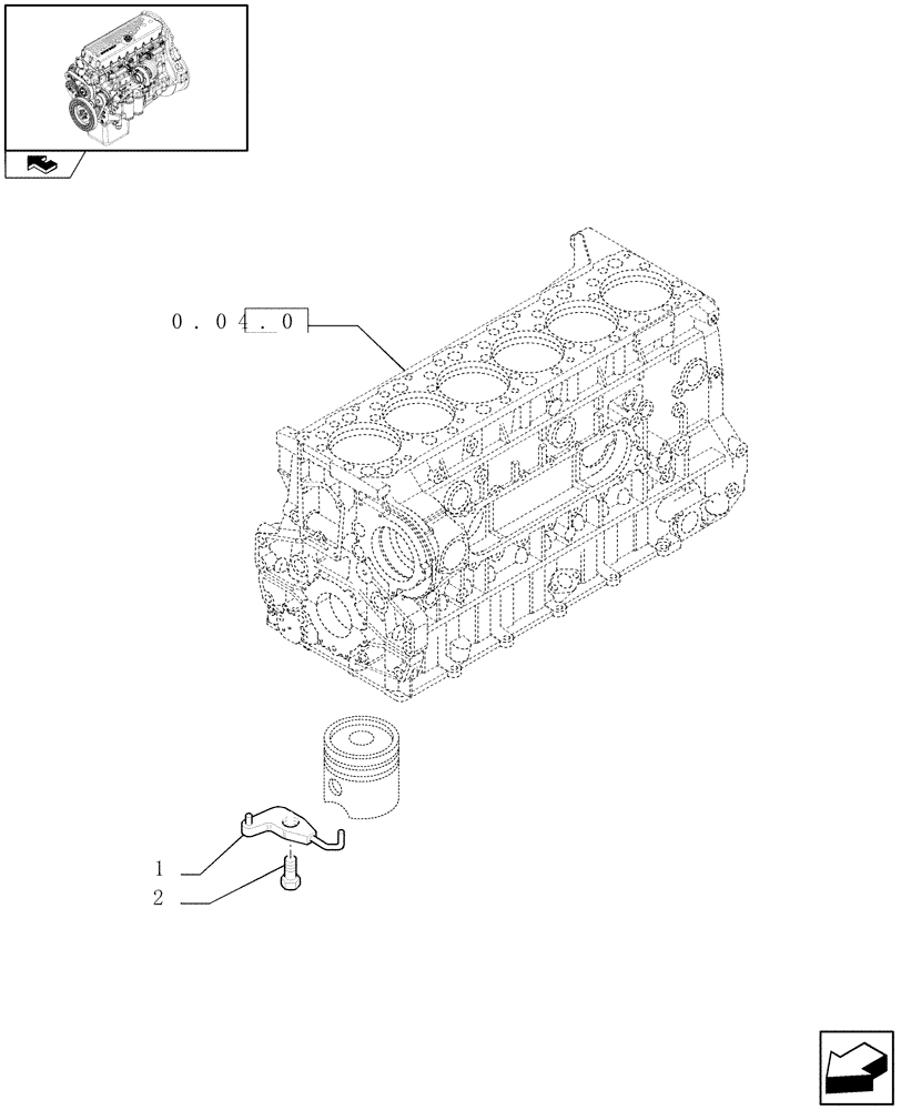
Запчасти Case F3AE0684S E908 (0.04.14) - CYLINDER BARREL LUBRICATION NOZZLE (99483075)

Схема запчастей Case F3AE0684S E908 - (0.04.14) - CYLINDER BARREL LUBRICATION NOZZLE (99483075)
1
2
0.04.0
home
FIT
1:1
100%

Артикул

Название

Примечание

Количество

1

504199599

LUBE OIL NOZZLE

LUBE OIL JET NOZZLE

6шт.

2

99474718

BANJO BOLT

M12X1.5

6шт.

Выбрано товаров: 2