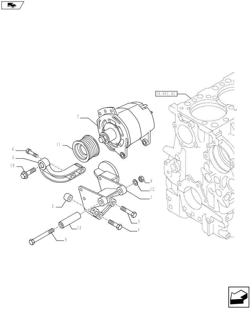
Запчасти Case F3AE0684S E913 (55.301.02) - ALTERNATOR (504386189) (55) - ELECTRICAL SYSTEMS

Схема запчастей Case F3AE0684S E913 - (55.301.02) - ALTERNATOR (504386189) (55) - ELECTRICAL SYSTEMS
8
6
home
10
13
7
1
4
5
11
9
12
2
3
10.001.02
FIT
1:1
100%

Артикул

Название

Примечание

Количество

1

500389359

BODY

1шт.

2

98405462

DOWEL

2шт.

3

16587824

BOLT,Hex, M10 x 1.5 x 60mm

M10 x 1.5 x 60

2шт.

4

16587424

BOLT,M10 x 1.5 x 40mm

M10 x 40

1шт.

5

504037646

SUPPORT

1шт.

6

16586925

BOLT,M8 x 50mm

M8 x 50

2шт.

7

2856508

ALTERNATOR

ASSY

1шт.

8

17038421

NUT

M12

1шт.

9

16600024

BOLT,M12 x 160mm

M12 x 160

1шт.

10

500399332

SCREW

1шт.

11

500380058

PULLEY

1шт.

12

17095314

WASHER

D = 12 x 24 mm

1шт.

13

504042883

SPACER

1шт.

Выбрано товаров: 13