Запчасти Case F3BE0684A B001 (0.14.8[01]) - INJECTOR & RELATED PARTS (504036173)

Схема запчастей Case F3BE0684A B001 - (0.14.8[01]) - INJECTOR & RELATED PARTS (504036173)
3
5
1
1
2
5
0.06.0
4
FIT
1:1
100%

Артикул

Название

Примечание

Количество

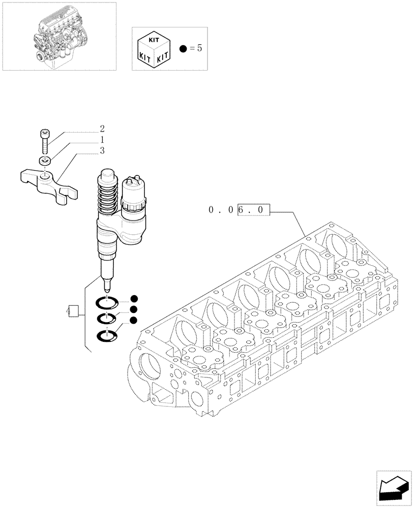
1

99435007

LOCK WASHER

6шт.

2

16707734

SCREW,M8 x 1.25 x 50mm

M8X50

6шт.

3

99435006

BRACKET

6шт.

4

500390845

FUEL SYSTEM INJECTOR

- ASSY

6шт.

5

500379769

REPAIR KIT

6шт.

Выбрано товаров: 5