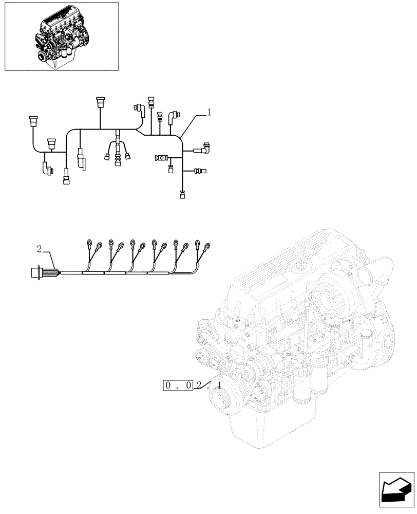
Запчасти Case F3BE0684A B001 (0.83.28[01]) - MOTOR ELECTRIC INSTALLATION (504041547)

Схема запчастей Case F3BE0684A B001 - (0.83.28[01]) - MOTOR ELECTRIC INSTALLATION (504041547)
2
0.02.1
1
FIT
1:1
100%

Артикул

Название

Примечание

Количество

1

504041674

WIRE HARNESS

1шт.

2

500339303

ELECTRIC CABLE

1шт.

Выбрано товаров: 2