Качественные детали и логистика
Оригинальные и аналоговые запчасти с доставкой по России, Казахстану и Беларуси
©2022 PartSell ООО "Система" ИНН 2463123282 ОГРН 1212400004838
Центральный офис: г. Красноярск, Академика Киренского, д.87, пом.4
Телефон: 8 (800) 777-65-74 Email: zakaz@partsell.ru
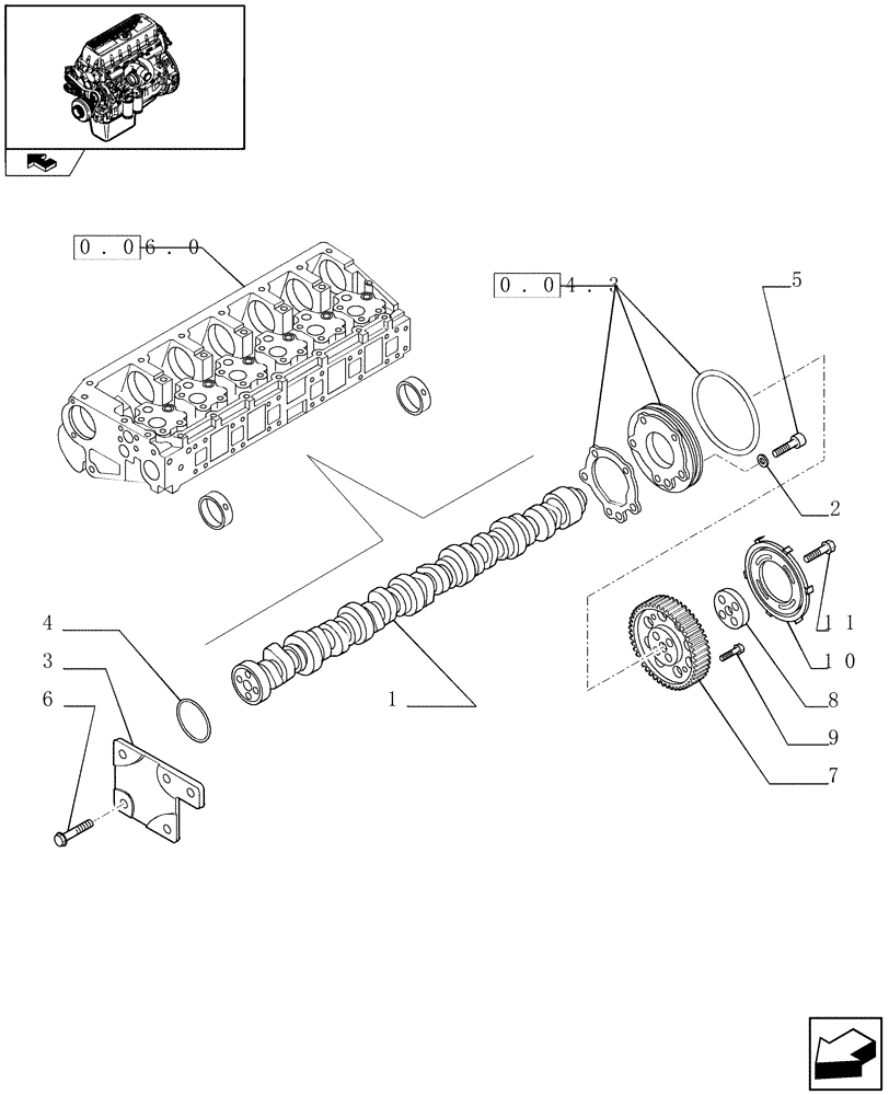
(0.12.5) - CAMSHAFT (504227216)
№
Артикул
Название
Примечание
Количество
1
504227220
CAMSHAFT
1шт.
504227220R
REMAN-CAMSHAFT
F3BE0684J*E902 - ENGINE - 504094592 - 84447410
504227220C
CORE-CAMSHAFT
Return Number
2
17096824
LOCK WASHER
8,4X15 mm
3
504204255
COVER
4
14465381
O-RING,3.109" ID x 3.387" OD x 0.139"
78,97X3,53 mm
5
14306424
HEX SOC SCREW,M8 x 1.25 x 25mm, Cl 8.8, Full Thd
M8X25 mm
6
16587125
SCREW,M10
M10X25 mm
4шт.
7
99450035
GEAR
8
98496024
SPACER
9
99431774
BOLT
10
500336396
PLATE
11
500397562
Выбрано товаров: 0