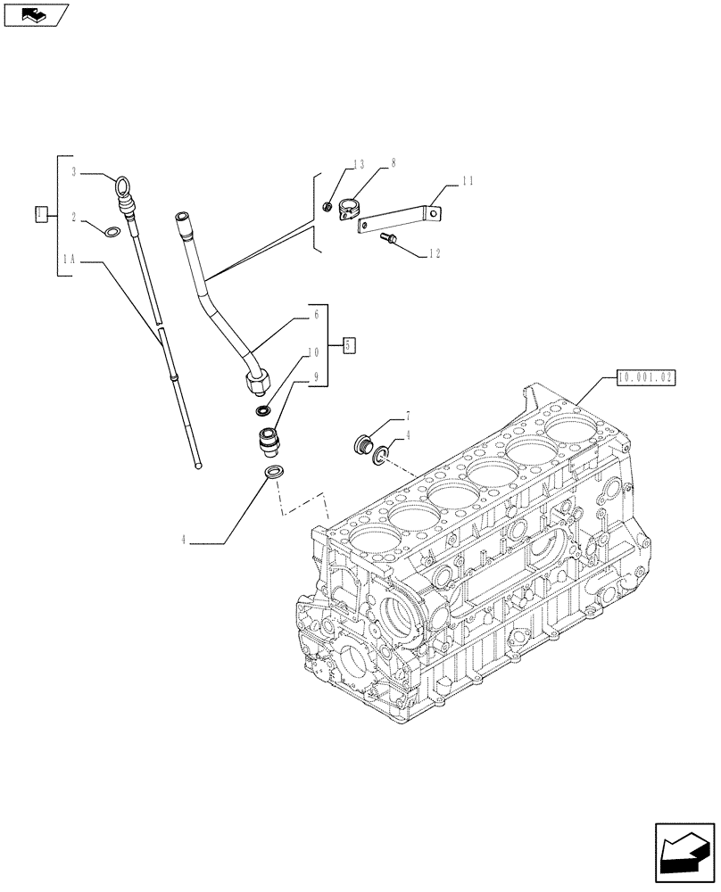
Запчасти Case F3BE0684N E916 (10.304.01[01]) - OIL LEVEL CHECK (504314869-504122152) (10) - ENGINE

Схема запчастей Case F3BE0684N E916 - (10.304.01[01]) - OIL LEVEL CHECK (504314869-504122152) (10) - ENGINE
12
11
1a
4
home
13
5
6
10
10.001.02
7
4
3
2
9
1
8
FIT
1:1
100%

Артикул

Название

Примечание

Количество

1

504122152

DIPSTICK

1шт.

1a

NSS

NOT SOLD SEPARAT

1шт.

2

504027969

SEALING RING

SEALRING

2шт.

3

504157200

KNOB

1шт.

4

5167640

SEALING WASHER,14.09mm ID x 26.45mm OD x 1.5mm Thk

2шт.

5

504117954

TUBE

ASSY

1шт.

6

NSS

NOT SOLD SEPARAT

1шт.

7

16992515

PLUG

M18 x 1.5

1шт.

8

17316699

CLAMP

1шт.

9

99470985

FITTING

1шт.

10

504118547

TUBE

1шт.

11

504066745

BRACKET

1шт.

12

16586225

BOLT,M8 x 16mm

2шт.

13

2852389

FLANGE NUT

1шт.

Выбрано товаров: 0