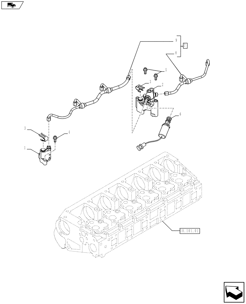
Запчасти Case F3DFA613A E001 (10.120.01) - ENGINE EXHAUST BRAKE (504386870) (10) - ENGINE

Схема запчастей Case F3DFA613A E001 - (10.120.01) - ENGINE EXHAUST BRAKE (504386870) (10) - ENGINE
6
3
9
2
8
10.101.01
3
4
home
1
5
7
FIT
1:1
100%

Артикул

Название

Примечание

Количество

1

504222834

BRAKE

5шт.

2

504387954

BRAKE CYLINDER

1шт.

3

500376911

SPRING

6шт.

4

16707334

BOLT,M8 x 30mm, Cl 10.9

11шт.

5

16691324

HEX SOC SCREW,M8 x 60mm

2шт.

6

504305972

ELECTRO-VALVE

1шт.

7

504371450

TUBE

ASSY Contains Ref.8, 9

1шт.

8

500336760

PIPE

1шт.

9

500336756

PIPE

1шт.

Выбрано товаров: 9