Качественные детали и логистика
Оригинальные и аналоговые запчасти с доставкой по России, Казахстану и Беларуси
©2022 PartSell ООО "Система" ИНН 2463123282 ОГРН 1212400004838
Центральный офис: г. Красноярск, Академика Киренского, д.87, пом.4
Телефон: 8 (800) 777-65-74 Email: zakaz@partsell.ru
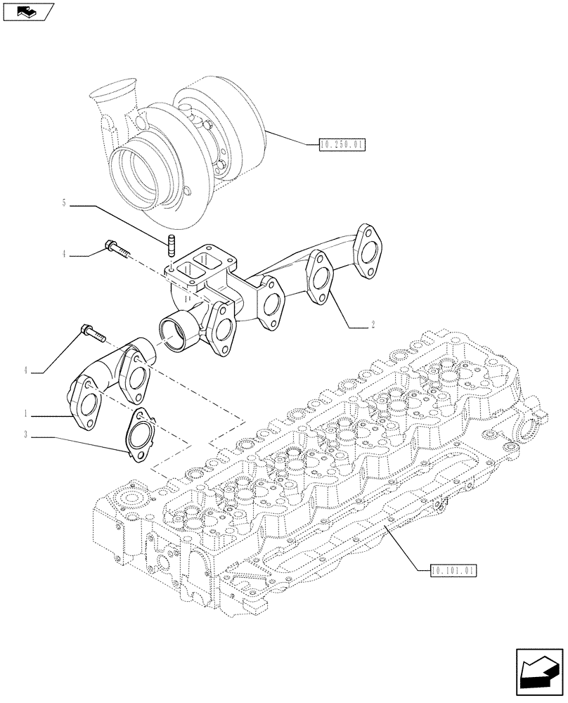
(10.254.05) - EXHAUST MANIFOLD (2855722)
№
Артикул
Название
Примечание
Количество
1
2831205
EXHAUST MANIFOLD
1шт.
2
2854818
3
2853800
MANIFOLD GASKET,1.4mm Thk
6шт.
4
2852834
SCREW,Hex Flg, M10 x 1.5 x 40mm
M10 x 1,5 x 40
12шт.
5
4899085
STUD,M10 x 1.5 x 42mm
4шт.
Выбрано товаров: 0