Качественные детали и логистика
Оригинальные и аналоговые запчасти с доставкой по России, Казахстану и Беларуси
©2022 PartSell ООО "Система" ИНН 2463123282 ОГРН 1212400004838
Центральный офис: г. Красноярск, Академика Киренского, д.87, пом.4
Телефон: 8 (800) 777-65-74 Email: zakaz@partsell.ru
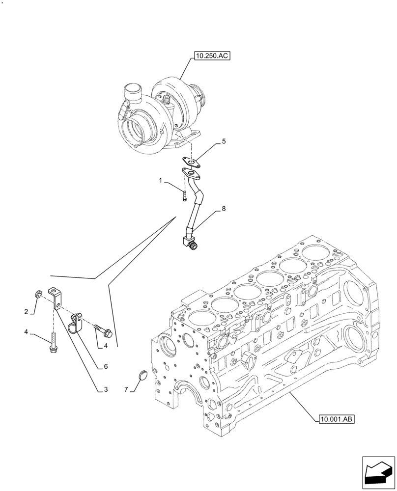
(10.250.AE) - TURBOCHARGER OIL RETURN LINE
№
Артикул
Название
Примечание
Количество
1
4895586
SCREW,Hex, Flg Hd, M8 x 16
2шт.
2
13605715
SPACER,9mm ID x 18mm OD x 5mm L
1шт.
3
47556254
SUPPORT
4
9804258
BOLT,Hex, M8 x 1.25 x 20mm, Cl 8.8
5
4891288
GASKET,0.8mm Thk
6
4896893
CLAMP,20mm W
7
4895089
PLUG,0.886" L
8
47576573
PIPE
Выбрано товаров: 0