Запчасти Case F4DFE613B A004 (10.102.01) - ENGINE OIL SUMP (10) - ENGINE

Схема запчастей Case F4DFE613B A004 - (10.102.01) - ENGINE OIL SUMP (10) - ENGINE
home
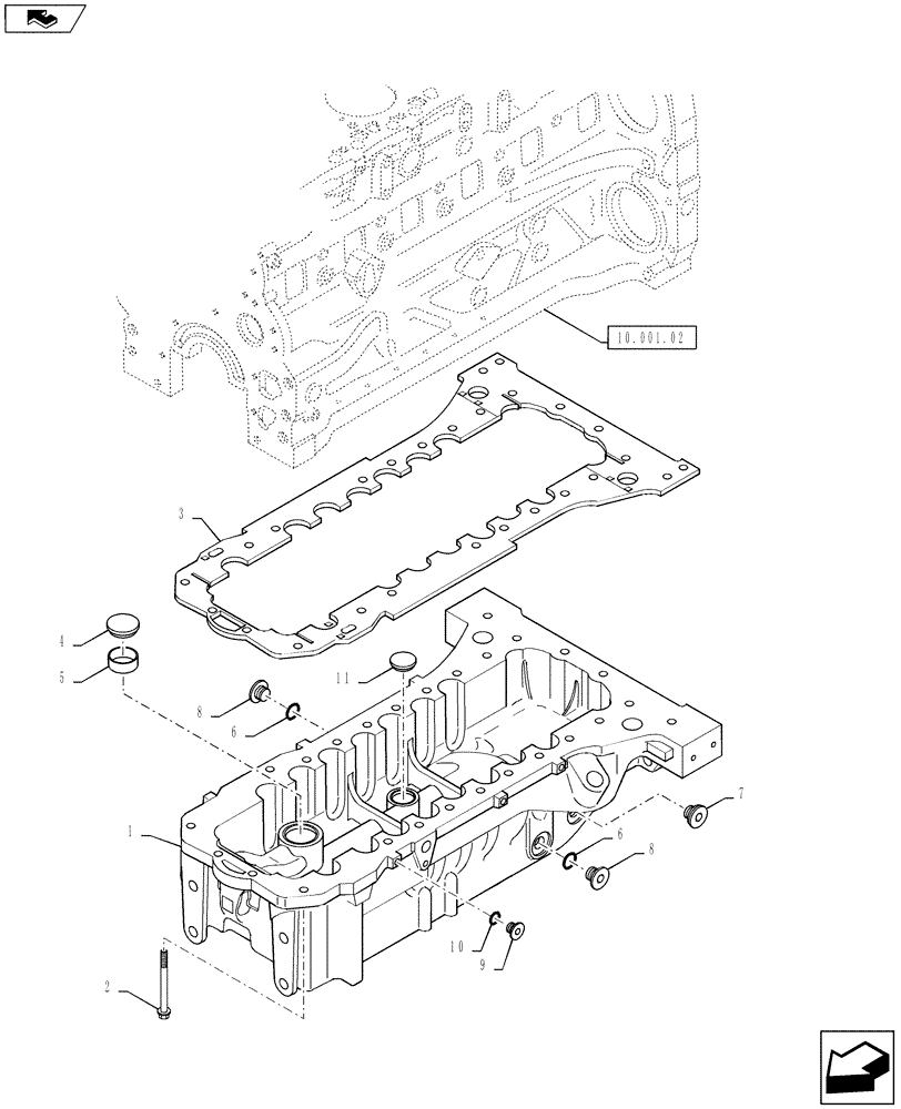
11
4
10
8
1
3
10.001.02
2
7
9
6
5
8
6
FIT
1:1
100%

Артикул

Название

Примечание

Количество

1

2855274

ENGINE OIL PAN

1шт.

2

4895339

SCREW,Hex Flange Head Cap, M8 x 20

2шт.

2

4892753

SCREW,7/16" - 18

22шт.

2

2855278

SCREW,Hex Washer Head, M10 x 1.5 x 150mm L

6шт.

2

4892742

BOLT,Flng, M10 x 1.5 x 190mm, Cl 10.9

4шт.

3

4894301

OIL PAN GASKET SET

1шт.

4

4895936

PLUG

1шт.

5

4895935

FILTER SCREEN

1шт.

6

2853728

O-RING,M23.47 ID x 2.62 Thk

2шт.

7

2855276

PLUG,1"3/16-12

1шт.

8

4894139

PLUG,Hex Soc, M22 x 1.5

2шт.

9

4893206

PLUG,M18 x 1.5

1шт.

10

4893207

SEALING WASHER,15.5mm ID x 26mm OD x 1.5mm Thk

1шт.

11

2831461

HOLE PLUG BUTTON,44.729mm D

1шт.

Выбрано товаров: 14