Запчасти Case F4DFE613B A004 (55.640.01) - ELECTRONIC INJECTION (55) - ELECTRICAL SYSTEMS

Схема запчастей Case F4DFE613B A004 - (55.640.01) - ELECTRONIC INJECTION (55) - ELECTRICAL SYSTEMS
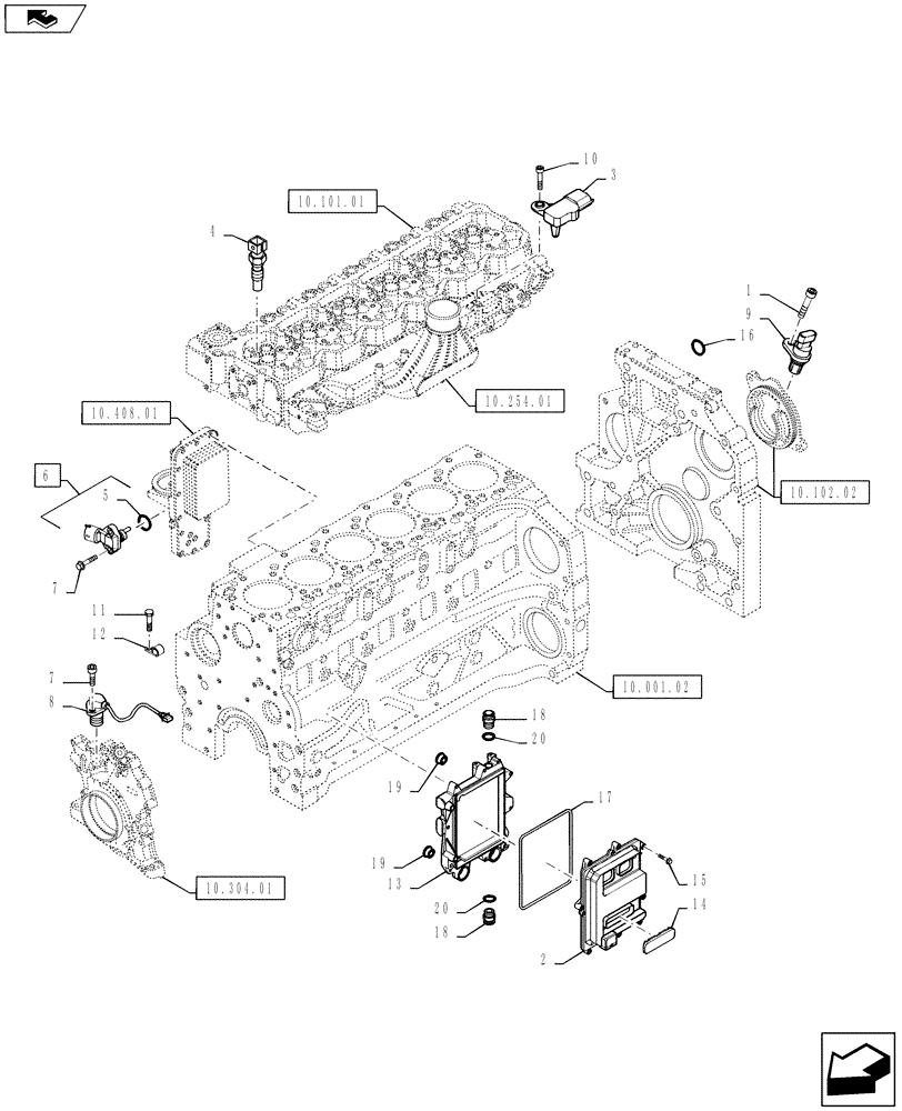
18
6
20
10.101.01
10.304.01
5
18
20
12
15
1
3
4
19
10.001.02
16
10.102.02
10.408.01
2
14
7
11
8
home
7
17
10
19
10.254.01
9
13
FIT
1:1
100%

Артикул

Название

Примечание

Количество

1

2853616

HEX SOC SCREW,Hex Soc, M6, Cl 8.8

1шт.

2

2854594

ECU

1шт.

2

2854594R

REMAN-MODULE

Reman for New PN 2854594

1шт.

2

2854594C

CORE-MODULE

Return Number

1шт.

3

2852821

SENSOR

ECM; Boost/Air Temperature , 4 wire

1шт.

4

4897224

SENSOR

Temperature

1шт.

5

4895477

O-RING,2.62mm Thk x 13.94mm ID

1шт.

6

2859674

SENSOR,Oil Pressure

Oil Temp and Pressure, Incl 5

1шт.

7

4899110

SCREW,Hex Flg, M6 x 1 x 20

3шт.

8

2853552

SENSOR

Crankshaft Speed

1шт.

9

4897242

SENSOR

1шт.

10

4895817

BOLT,Flng, M6 x 1 x 20mm, Cl 10.9

1шт.

11

2852819

CLAMP

2шт.

12

2852100

FLANGE BOLT,Hex, M8 x 1.25 x 16mm

2шт.

13

2854596

BRACKET

1шт.

14

2852825

PLUG,100mm x 40mm L

1шт.

15

2854083

BOLT,Flng, M6 x 1 x 30mm

8шт.

16

4897302

CABLE CLIP,5.5mm ID

1шт.

17

2854079

GASKET,6.45mm Thk

1шт.

18

4890964

FITTING,M12 x 1.5

2шт.

19

98498817

ISOLATOR

6шт.

20

2854292

SEALING WASHER,12mm ID x 17mm OD x 1.5mm Thk

2шт.

Выбрано товаров: 22