Запчасти Case F4DFE613B B006 (10.304.AS) - DIPSTICK (10) - ENGINE

Схема запчастей Case F4DFE613B B006 - (10.304.AS) - DIPSTICK (10) - ENGINE
3
2
1
10.102.ap
FIT
1:1
100%

Артикул

Название

Примечание

Количество

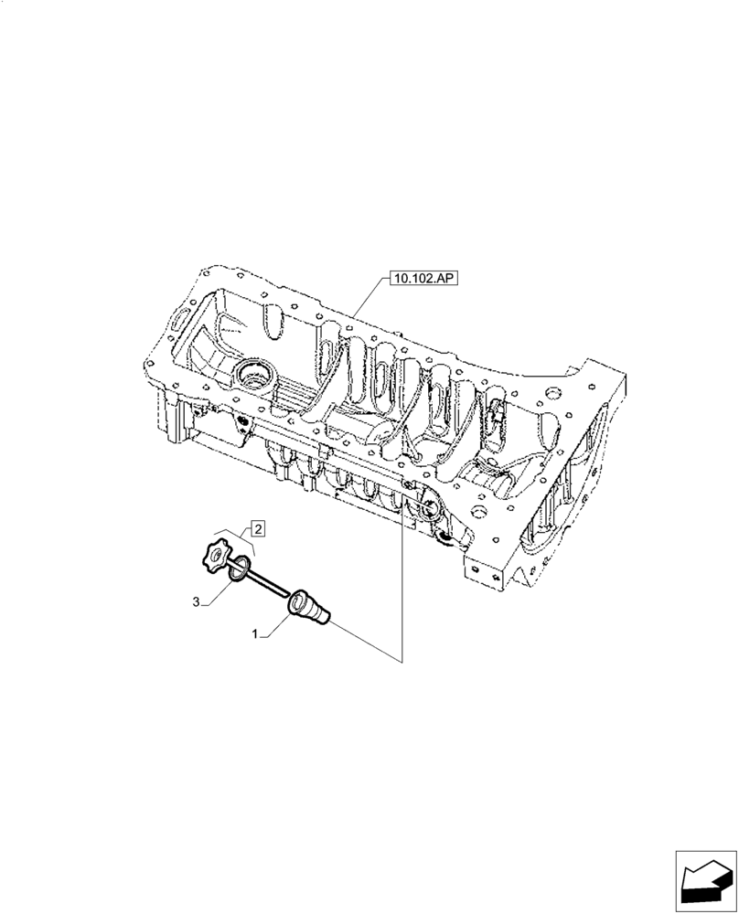
1

4891168

TUBE

1шт.

2

2854831

DIPSTICK

Incl 3

1шт.

3

NSS

NOT SOLD SEPARAT

Incl in 2

1шт.

Выбрано товаров: 0