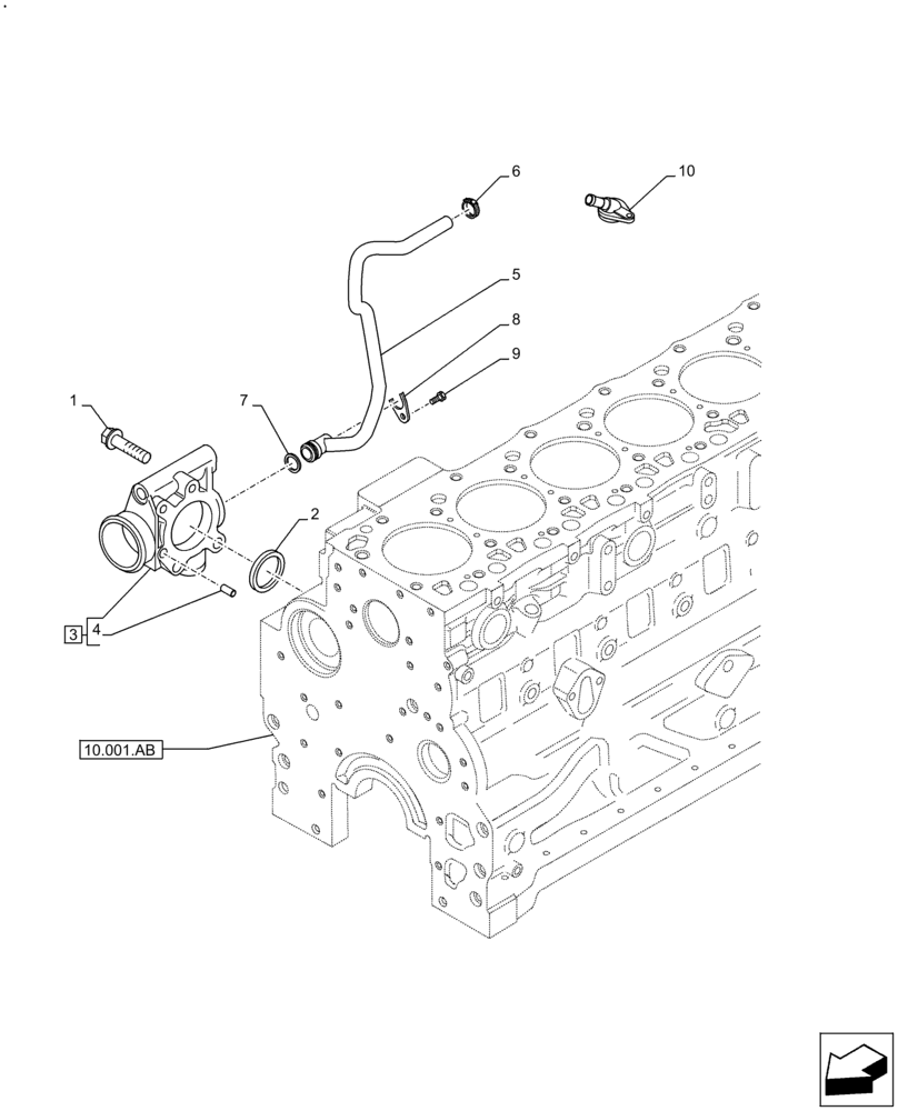
Запчасти Case F4DFE613B B006 (10.400.AP) - RADIATOR HOSE (10) - ENGINE

Схема запчастей Case F4DFE613B B006 - (10.400.AP) - RADIATOR HOSE (10) - ENGINE
4
10.001.ab
6
9
2
8
3
1
10
5
7
FIT
1:1
100%

Артикул

Название

Примечание

Количество

1

4895174

SCREW,Flg Hd, M10 x 1.5 x 65

3шт.

2

2854072

SEALING RING,Square, 5.16mm Thk x 50.17mm ID

1шт.

3

2859452

SUPPORT

ASSY; Incl 4

1шт.

4

2830894

DOWEL,.25" OD x .625" L

2шт.

5

47599124

1шт.

6

13000390

HOSE CLAMP,16mm - 25mm, Worm Gear

1шт.

7

2853563

O-RING,20.29mm ID x 2.62mm

1шт.

8

47599127

1шт.

9

2854000

SELF-TAP SCREW,Hex, M6 x 16mm

2шт.

10

47599166

ELBOW UNION

1шт.

Выбрано товаров: 0