Запчасти Case F4DFE613B B006 (10.408.AC) - HEAT EXCHANGER (10) - ENGINE

Схема запчастей Case F4DFE613B B006 - (10.408.AC) - HEAT EXCHANGER (10) - ENGINE
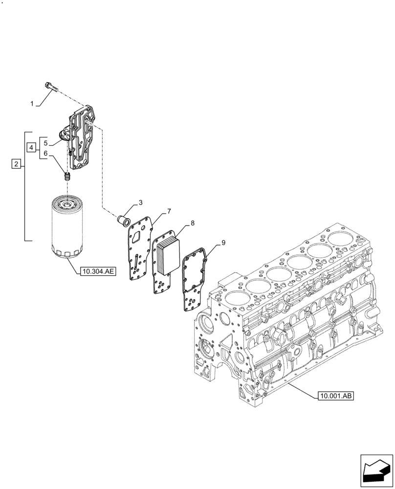
6
1
3
5
10.001.ab
10.304.ae
4
8
9
7
2
FIT
1:1
100%

Артикул

Название

Примечание

Количество

1

4899019

SCREW,Hex Flg, M8 x 1.25 x 35

13шт.

2

2830672

FILTER HEAD

ASSY; Incl 3-6

1шт.

3

J936365

VALVE PRESSURE RELIE

1шт.

4

2830673

FILTER HEAD

ASSY; Incl 5-6

1шт.

5

NSS

NOT SOLD SEPARAT

Housing, Incl in 4

1шт.

6

4893391

ADAPTER,M24 x 2 x M27 x 2

1шт.

7

2831317

GASKET,0.9mm Thk

1шт.

8

4896407

OIL COOLER

1шт.

8

2853604

OIL COOLER

1шт.

9

2830559

GASKET,0.5mm Thk

1шт.

Выбрано товаров: 10