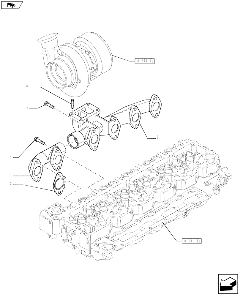
Запчасти Case F4DFE613F A002 (10.254.05) - EXHAUST MANIFOLD (2855722) (10) - ENGINE

Схема запчастей Case F4DFE613F A002 - (10.254.05) - EXHAUST MANIFOLD (2855722) (10) - ENGINE
1
home
10.101.01
10.250.01
2
4
3
4
5
FIT
1:1
100%

Артикул

Название

Примечание

Количество

1

2831205

EXHAUST MANIFOLD

1шт.

2

2854818

EXHAUST MANIFOLD

1шт.

3

2853800

MANIFOLD GASKET,1.4mm Thk

6шт.

4

2852834

SCREW,Hex Flg, M10 x 1.5 x 40mm

M10 x 1,5 x 40

12шт.

5

4899085

STUD,M10 x 1.5 x 42mm

4шт.

Выбрано товаров: 5