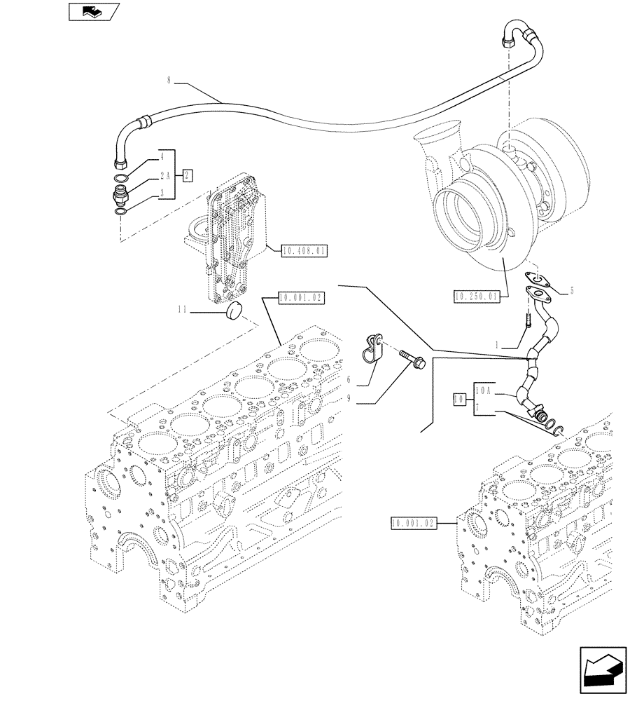
Запчасти Case F4DFE613F A002 (10.304.05) - PIPING - ENGINE OIL (2855470) (10) - ENGINE

Схема запчастей Case F4DFE613F A002 - (10.304.05) - PIPING - ENGINE OIL (2855470) (10) - ENGINE
10a
7
5
2
9
home
3
8
4
11
2a
1
6
10
10.408.01
10.001.02
10.250.01
10.001.02
FIT
1:1
100%

Артикул

Название

Примечание

Количество

1

4899079

SCREW,Hex Flg, M8 x 1.25 x 25

2шт.

2

2857015

HYD CONNECTOR,Hex, M12 x 1.5 x 6.7mm ID x 32mm L

ASSY

1шт.

2a

NSS

NOT SOLD SEPARAT

1шт.

3

4895610

O-RING,2.2mm Thk x 9.3mm ID

1шт.

4

4899108

O-RING,0.364mm ID x 0.07mm Width

1шт.

5

4891288

GASKET,0.8mm Thk

1шт.

6

4896893

CLAMP,20mm W

1шт.

7

4899058

O-RING,0.674" ID x 0.88" OD x 0.103"

2шт.

8

2855471

PIPE

1шт.

9

4899037

SCREW

M12 x 1.75 x 25

1шт.

10

4894915

TUBE

ASSY

1шт.

10a

NSS

NOT SOLD SEPARAT

1шт.

11

4895089

PLUG,0.886" L

.886" OD

1шт.

Выбрано товаров: 13