Качественные детали и логистика
Оригинальные и аналоговые запчасти с доставкой по России, Казахстану и Беларуси
©2022 PartSell ООО "Система" ИНН 2463123282 ОГРН 1212400004838
Центральный офис: г. Красноярск, Академика Киренского, д.87, пом.4
Телефон: 8 (800) 777-65-74 Email: zakaz@partsell.ru
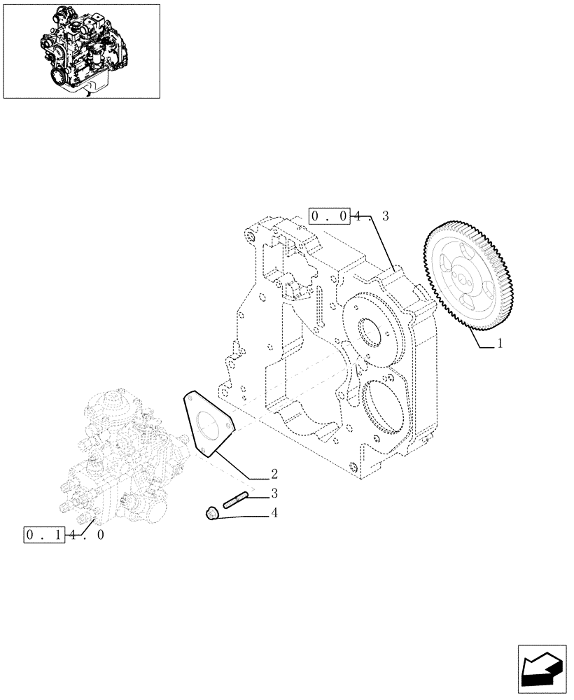
(0.14.2[01]) - INJECTION PUMP - CONTROL (504046002)
№
Артикул
Название
Примечание
Количество
1
4894774
DRIVEN GEAR
1шт.
2
2852885
GASKET,1.2mm Thk
3
2852294
STUD,M8 x 1.25 x 30
3шт.
4
4899003
FLANGE NUT,M8 x 1.25
Выбрано товаров: 0