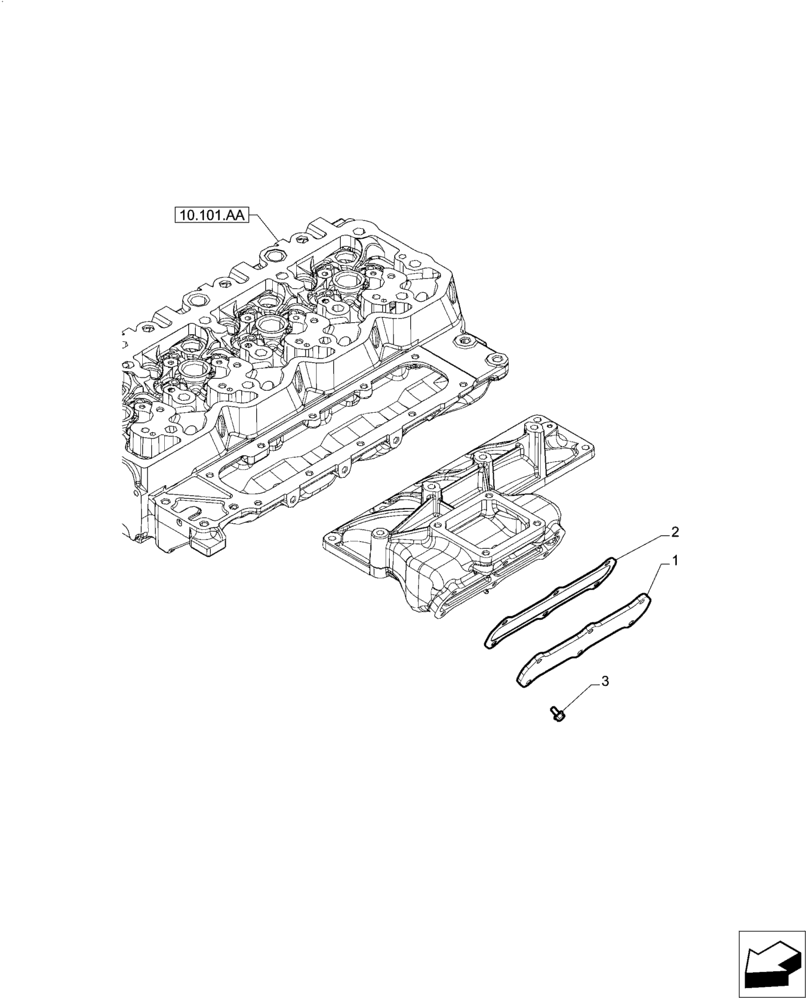
Запчасти Case F4DFE613H B003 (10.254.AM[02]) - MANIFOLD (10) - ENGINE

Схема запчастей Case F4DFE613H B003 - (10.254.AM[02]) - MANIFOLD (10) - ENGINE
10.101.aa
1
2
3
FIT
1:1
100%

Артикул

Название

Примечание

Количество

1

2854700

COVER

1шт.

2

2854701

GASKET,0.8mm Thk

1шт.

3

2854702

SCREW,Hex Flg, M6 x 20mm

6шт.

Выбрано товаров: 3