Качественные детали и логистика
Оригинальные и аналоговые запчасти с доставкой по России, Казахстану и Беларуси
©2022 PartSell ООО "Система" ИНН 2463123282 ОГРН 1212400004838
Центральный офис: г. Красноярск, Академика Киренского, д.87, пом.4
Телефон: 8 (800) 777-65-74 Email: zakaz@partsell.ru
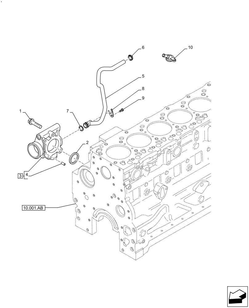
(10.400.AP) - RADIATOR HOSE
№
Артикул
Название
Примечание
Количество
1
4895174
SCREW,Flg Hd, M10 x 1.5 x 65
3шт.
2
2854072
SEALING RING,Square, 5.16mm Thk x 50.17mm ID
1шт.
3
2859452
SUPPORT
ASSY; Incl 4
4
2830894
DOWEL,.25" OD x .625" L
2шт.
5
47599124
6
13000390
HOSE CLAMP,16mm - 25mm, Worm Gear
7
2853563
O-RING,20.29mm ID x 2.62mm
8
47599127
9
2854000
SELF-TAP SCREW,Hex, M6 x 16mm
10
47599166
ELBOW UNION
Выбрано товаров: 0