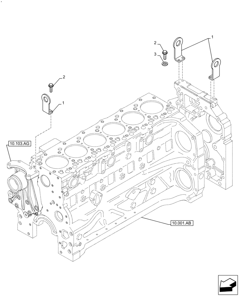
Запчасти Case F4DFE613J B006 (10.001.AK) - ENGINE, SUPPORT (10) - ENGINE

Схема запчастей Case F4DFE613J B006 - (10.001.AK) - ENGINE, SUPPORT (10) - ENGINE
1
10.001.ab
2
1
3
10.103.ag
2
FIT
1:1
100%

Артикул

Название

Примечание

Количество

1

2853015

BRACKET

3шт.

2

2852355

SCREW

6шт.

2

4897277

SCREW

2шт.

3

2853798

WASHER

2шт.

Выбрано товаров: 4