Запчасти Case F4DFE613J B006 (10.254.AM[02]) - MANIFOLD (10) - ENGINE

Схема запчастей Case F4DFE613J B006 - (10.254.AM[02]) - MANIFOLD (10) - ENGINE
2
10.101.aa
1
3
FIT
1:1
100%

Артикул

Название

Примечание

Количество

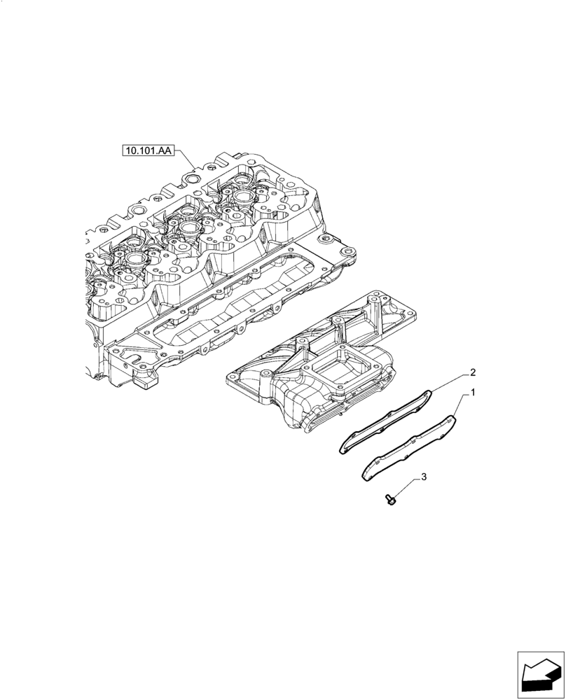
1

2854700

COVER

1шт.

2

2854701

GASKET,0.8mm Thk

1шт.

3

2854702

SCREW,Hex Flg, M6 x 20mm

6шт.

Выбрано товаров: 3