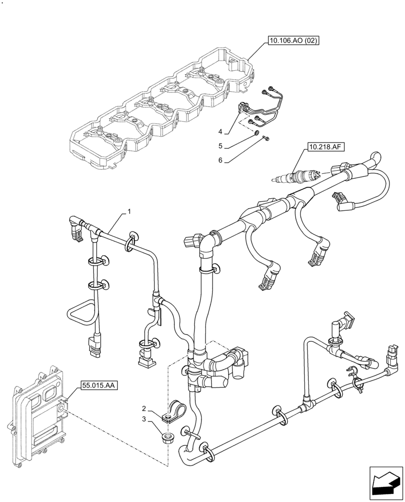
Запчасти Case F4DFE613J B006 (55.010.AA) - ENGINE, CABLE (55) - ELECTRICAL SYSTEMS

Схема запчастей Case F4DFE613J B006 - (55.010.AA) - ENGINE, CABLE (55) - ELECTRICAL SYSTEMS
4
10.106.ao (02)
5
2
1
10.218.af
6
55.015.aa
3
FIT
1:1
100%

Артикул

Название

Примечание

Количество

1

47604133

WIRE HARNESS

1шт.

2

4899815

CLAMP,20mm, Insul, 7mm Bolt

3шт.

3

2852484

FLANGE NUT,Hex, M6 x 1

3шт.

4

47401109

WIRE HARNESS

3шт.

5

2852776

WASHER,6mm ID x 11mm OD

3шт.

6

2852602

HEX SOC SCREW,M6 x 16mm

3шт.

Выбрано товаров: 6