Запчасти Case F4DFE613M B003 (10.001.AK) - ENGINE, SUPPORT (10) - ENGINE

Схема запчастей Case F4DFE613M B003 - (10.001.AK) - ENGINE, SUPPORT (10) - ENGINE
10.001.ab
2
1
2
1
3
10.103.ag
FIT
1:1
100%

Артикул

Название

Примечание

Количество

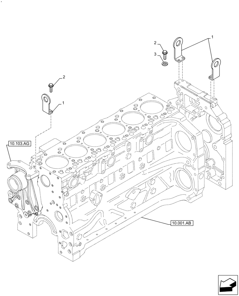
1

2853015

BRACKET

3шт.

2

2852355

SCREW

6шт.

2

4897277

SCREW

2шт.

3

2853798

WASHER

2шт.

Выбрано товаров: 4