Качественные детали и логистика
Оригинальные и аналоговые запчасти с доставкой по России, Казахстану и Беларуси
©2022 PartSell ООО "Система" ИНН 2463123282 ОГРН 1212400004838
Центральный офис: г. Красноярск, Академика Киренского, д.87, пом.4
Телефон: 8 (800) 777-65-74 Email: zakaz@partsell.ru
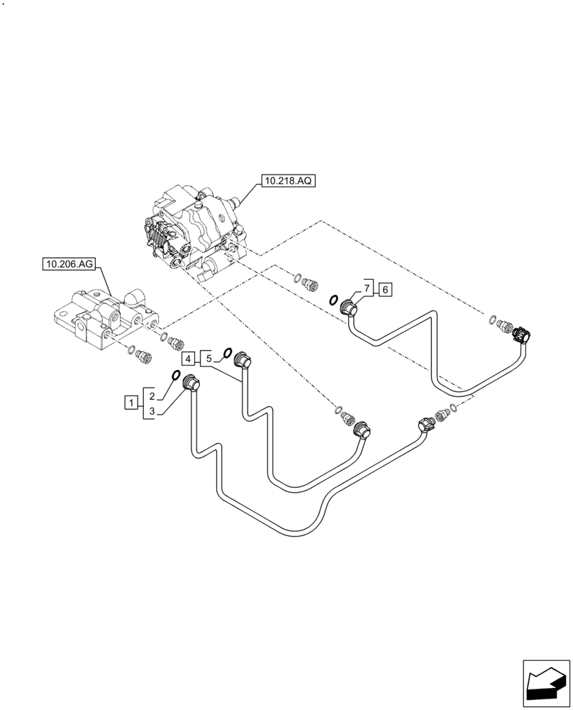
(10.210.AF) - FUEL LINE
№
Артикул
Название
Примечание
Количество
1
47529717
PIPE
ASSY, Incl 2-3
1шт.
2
4894095
O-RING,2.5mm Thk x 8mm ID, 60 Duro
4шт.
3
2854572
90 ELBOW
4
47529719
ASSY, Incl 5
5
6
47529721
ASSY, Incl 7
7
4890929
O-RING,3mm Thk x 11mm ID
2шт.
Выбрано товаров: 0