Качественные детали и логистика
Оригинальные и аналоговые запчасти с доставкой по России, Казахстану и Беларуси
©2022 PartSell ООО "Система" ИНН 2463123282 ОГРН 1212400004838
Центральный офис: г. Красноярск, Академика Киренского, д.87, пом.4
Телефон: 8 (800) 777-65-74 Email: zakaz@partsell.ru
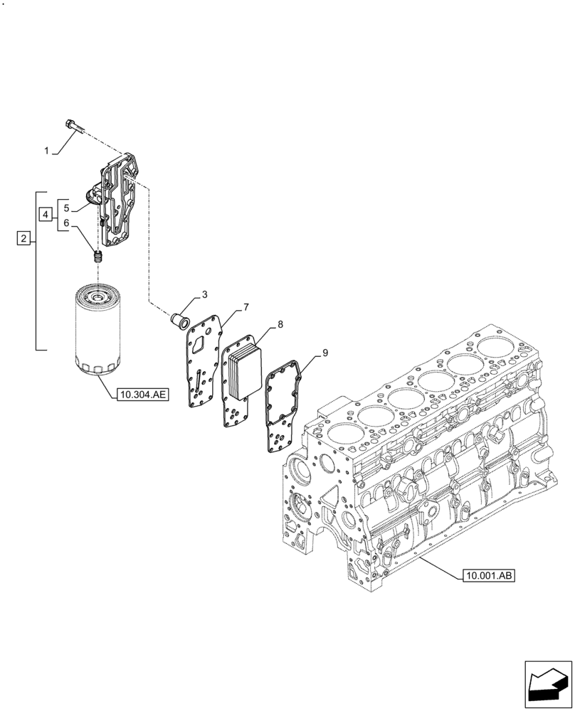
(10.408.AC) - HEAT EXCHANGER
№
Артикул
Название
Примечание
Количество
1
4899019
SCREW,Hex Flg, M8 x 1.25 x 35
13шт.
2
2830672
FILTER HEAD
ASSY; Incl 3-6
1шт.
3
J936365
VALVE PRESSURE RELIE
4
2830673
ASSY; Incl 5-6
5
NSS
NOT SOLD SEPARAT
Housing, Incl in 4
6
4893391
ADAPTER,M24 x 2 x M27 x 2
7
2831317
GASKET,0.9mm Thk
8
4896407
OIL COOLER
2853604
9
2830559
GASKET,0.5mm Thk
Выбрано товаров: 0