Качественные детали и логистика
Оригинальные и аналоговые запчасти с доставкой по России, Казахстану и Беларуси
©2022 PartSell ООО "Система" ИНН 2463123282 ОГРН 1212400004838
Центральный офис: г. Красноярск, Академика Киренского, д.87, пом.4
Телефон: 8 (800) 777-65-74 Email: zakaz@partsell.ru
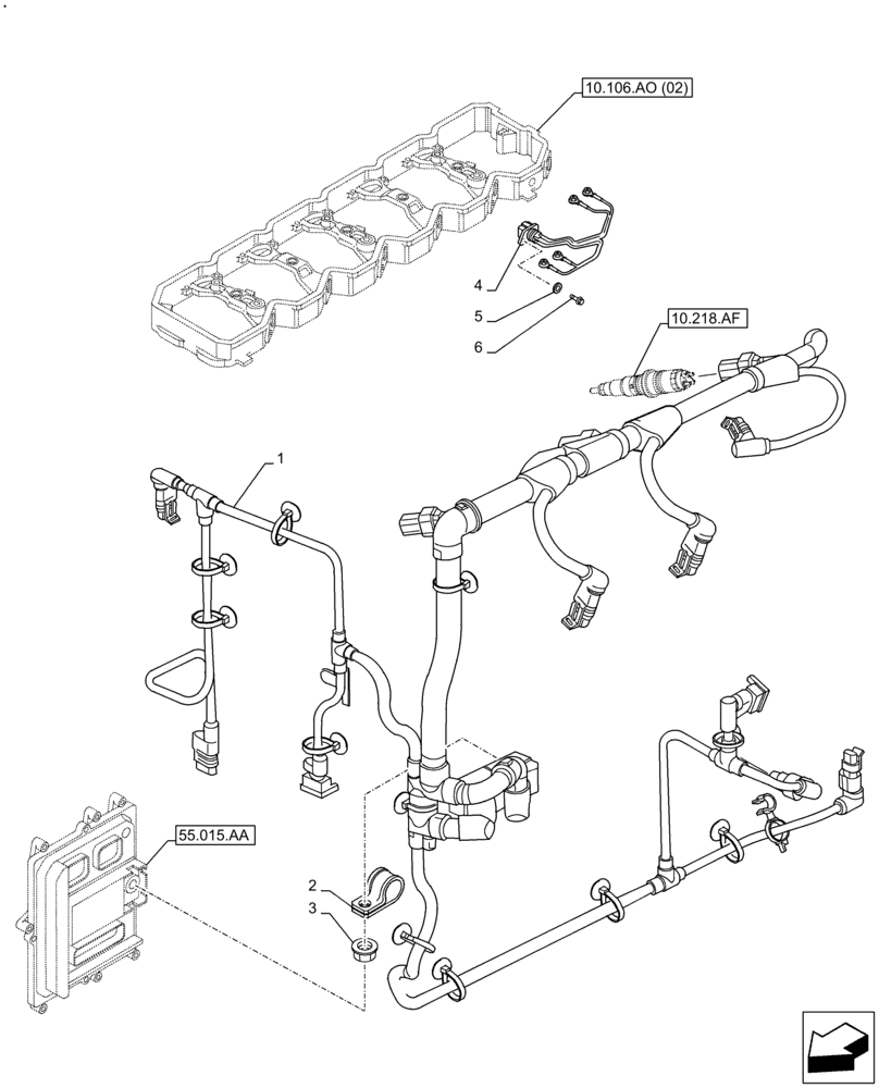
(55.010.AA) - ENGINE, CABLE
№
Артикул
Название
Примечание
Количество
1
47604133
WIRE HARNESS
1шт.
2
4899815
CLAMP,20mm, Insul, 7mm Bolt
3шт.
3
2852484
FLANGE NUT,Hex, M6 x 1
4
47401109
5
2852776
WASHER,6mm ID x 11mm OD
6
2852602
HEX SOC SCREW,M6 x 16mm
Выбрано товаров: 0