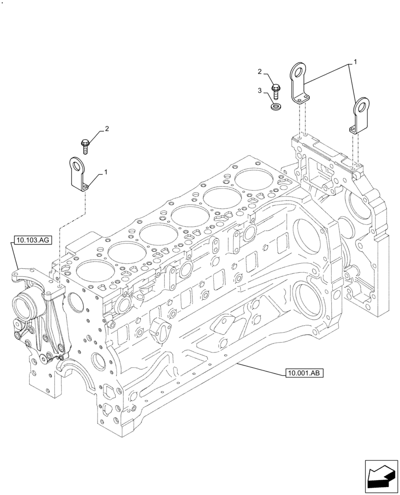
Запчасти Case F4DFE613N B006 (10.001.AK) - ENGINE, SUPPORT (10) - ENGINE

Схема запчастей Case F4DFE613N B006 - (10.001.AK) - ENGINE, SUPPORT (10) - ENGINE
1
3
2
2
1
10.001.ab
10.103.ag
FIT
1:1
100%

Артикул

Название

Примечание

Количество

1

504090445

HOOK

3шт.

2

16587124

FLANGE BOLT,Hex, M10 x 25mm, Cl 8.8, Full Thd

6шт.

2

5801922670

SCREW

2шт.

3

17095304

WASHER

2шт.

Выбрано товаров: 4