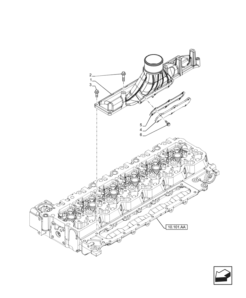
Запчасти Case F4DFE613N B006 (10.254.AM) - MANIFOLD (10) - ENGINE

Схема запчастей Case F4DFE613N B006 - (10.254.AM) - MANIFOLD (10) - ENGINE
4
1
2
5
6
3
10.101.aa
FIT
1:1
100%

Артикул

Название

Примечание

Количество

1

504102898

1шт.

2

4895294

BOLT,Flng, M8 x 1.25 x 80mm, Cl 10.9

2шт.

3

4899039

BOLT,Flng, M8 x 1.25 x 25mm, Cl 10.9

8шт.

4

504114351

COVER

1шт.

5

504114491

GASKET

1шт.

6

16585870

SCREW,Hex, M6 x 20mm

6шт.

Выбрано товаров: 6