Запчасти Case F4GE9454K J604 (10.101.01) - CYLINDER HEAD (2856015) (10) - ENGINE

Схема запчастей Case F4GE9454K J604 - (10.101.01) - CYLINDER HEAD (2856015) (10) - ENGINE
3
3
6
12
13
4
14
2
16
4
7
1
7
9
11
5
3
3
3
3
8
10a
8
home
15
3
10
3a
FIT
1:1
100%

Артикул

Название

Примечание

Количество

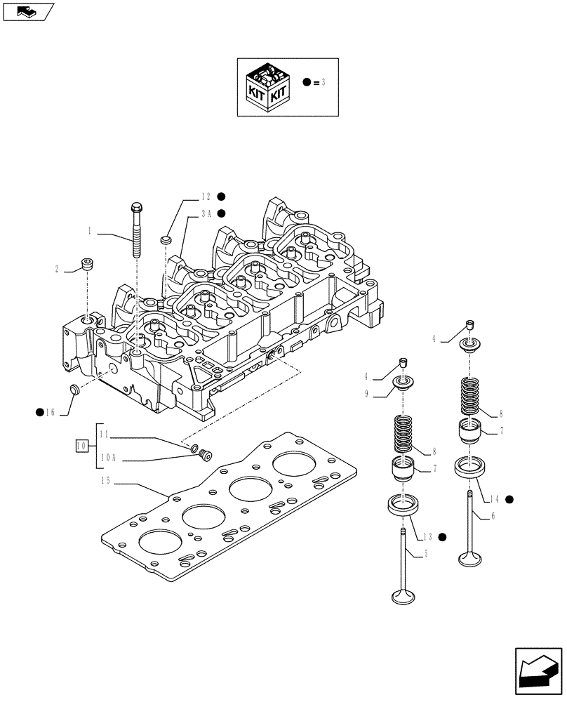
1

4892861

CAPTIVE WASHER SCREW,Wash Hd, M12 x 1.75 x 73

4шт.

1

4892859

BOLT,Flng, M12 x 1.75 x 143mm

10шт.

2

4895078

PIPE PLUG,1/2"-14

5шт.

3

2856017

CYLINDER HEAD,4 Cylinders

Assy, Contains Ref. 3A, 12 - 14, 16

1шт.

3a

NSS

NOT SOLD SEPARAT

1шт.

4

4895183

COLLET

16шт.

5

4895188

STD EXHAUST VALVE

STD ENGINE EXHAUST VALVE

4шт.

6

4895187

STD INLET VALVE

STD ENGINE INLET VALVE

4шт.

7

4895347

SEAL

8шт.

8

4895215

VALVE SPRING,Compression, 32.8mm OD x 63.5 mmL

8шт.

9

4895184

RETAINER,34mm OD, 10.63mm ID, 14.5mm L

8шт.

10

4899009

PLUG,M10 x1

ASSY

1шт.

10a

NSS

NOT SOLD SEPARAT

1шт.

11

4899072

O-RING,1.6mm Thk x 8.1mm ID

1шт.

12

4895179

EXPANSION PLUG,M20.93

3шт.

13

4897178

VALVE SEAT,36mm ID x 43mm OD x 6.7mm L

Exhaust

4шт.

14

4897179

VALVE SEAT,38 mmID x 47mm OD x 6.9mm L

Intake

4шт.

15

2830919

CYLINDER HEAD GASKET,1.4mm Thk

1.25mm Thk

1шт.

15

2830920

CYLINDER HEAD GASKET,1.15mm Thk

1.15mm Thk

1шт.

16

4895085

EXPANSION PLUG,25.74mm

1шт.

Выбрано товаров: 20