Качественные детали и логистика
Оригинальные и аналоговые запчасти с доставкой по России, Казахстану и Беларуси
©2022 PartSell ООО "Система" ИНН 2463123282 ОГРН 1212400004838
Центральный офис: г. Красноярск, Академика Киренского, д.87, пом.4
Телефон: 8 (800) 777-65-74 Email: zakaz@partsell.ru
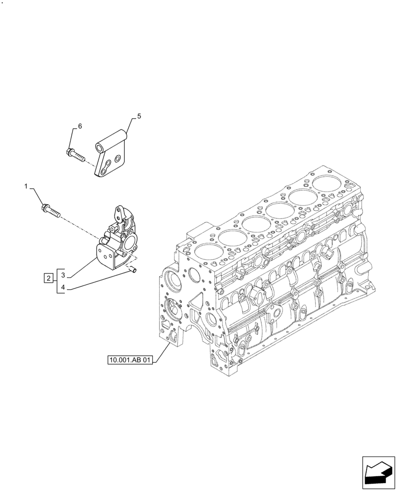
(10.400.AE) - COOLANT HEATING LINES
№
Артикул
Название
Примечание
Количество
1
2852325
SCREW
1шт.
2852286
BOLT,Flng, M10 x 1.5 x 130mm
2шт.
4895227
GUIDE RING,11.15mm OD, 8.5mm ID, 9mm L
2
2855443
FITTING
ASSY, Incl 3, 4
3
NSS
NOT SOLD SEPARAT
4
4895576
DOWEL
5
2855595
BRACKET
6
2852295
SCREW,Hex, M8 x 1.25 x 40mm
Выбрано товаров: 0