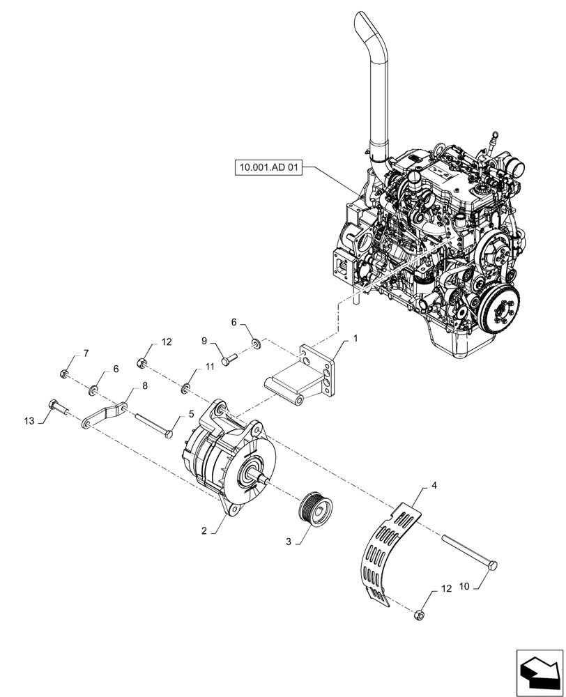
Запчасти Case F4HE0484D B101 (55.301.AA) - ENGINE, ALTERNATOR (55) - ELECTRICAL SYSTEMS

Схема запчастей Case F4HE0484D B101 - (55.301.AA) - ENGINE, ALTERNATOR (55) - ELECTRICAL SYSTEMS
4
9
6
6
8
10
13
5
11
3
12
10.001.ad 01
1
7
2
12
FIT
1:1
100%

Артикул

Название

Примечание

Количество

1

87270954

MOUNTING PLATE

1шт.

2

87645567

ALTERNATOR

1шт.

3

87452704

PULLEY,70.66mm OD

1шт.

4

87272904

GUARD

1шт.

5

86980410

BOLT,Hex, M10 x 100mm, Cl 8.8

1шт.

6

87529312

WASHER,11mm ID x 24mm OD x 3mm Thk

5шт.

7

86980515

NUT,Hex, M10 x 1.5, Cl 8.8, DOR

1шт.

8

87271080

SUPPORT

1шт.

9

86980401

BOLT,Hex, M10 x 1.5 x 30mm, Cl 8.8, Full Thd

4шт.

10

87342824

BOLT

1шт.

11

86981496

WASHER,13.3mm ID x 24.5mm OD x 3mm Thk

1шт.

12

87343666

NUT

2шт.

13

87310191

BOLT,1/2"-13 x 1-1/2", G5, DOR

1шт.

Выбрано товаров: 13