Запчасти Case F4HE0484G J100 (10.110.02[02]) - DYNAMIC BALANCER, GEARS & SHAFTS (2855742) (10) - ENGINE

Схема запчастей Case F4HE0484G J100 - (10.110.02[02]) - DYNAMIC BALANCER, GEARS & SHAFTS (2855742) (10) - ENGINE
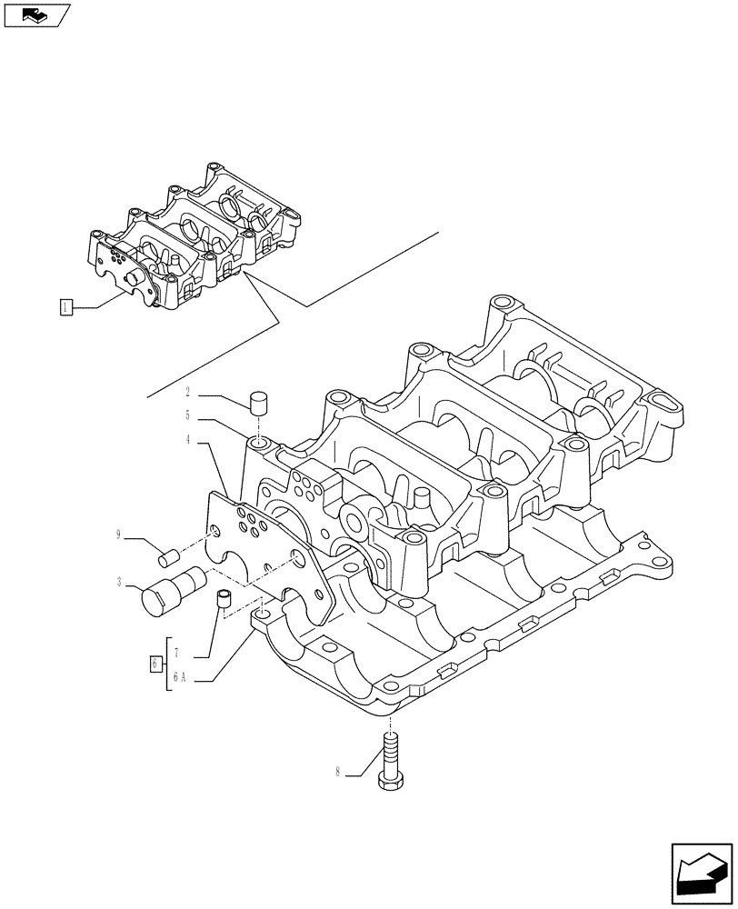
4
3
8
6
1
6a
9
7
5
home
2
FIT
1:1
100%

Артикул

Название

Примечание

Количество

1

2855744

HOUSING

ASSY

1шт.

2

4899027

DOWEL,M14.05 x 14 L

2шт.

3

2830948

IDLE SHAFT

1шт.

4

2855746

THRUST PLATE

1шт.

5

2831303

HOUSING

1шт.

6

2831302

HOUSING

ASSY

1шт.

6a

NSS

NOT SOLD SEPARAT

1шт.

7

4891209

DOWEL,M13 x 8 L

6шт.

8

4895323

FLANGE BOLT,Hex, M8 x 1.25 x 40mm

12шт.

9

2831305

DOWEL,M8 x 17 L

1шт.

Выбрано товаров: 10