Запчасти Case F4HE0484G J100 (10.408.01) - HEAT EXCHANGER - ENGINE (2855778) (10) - ENGINE

Схема запчастей Case F4HE0484G J100 - (10.408.01) - HEAT EXCHANGER - ENGINE (2855778) (10) - ENGINE
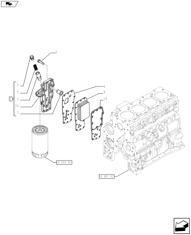
10.001.02
10.206.02
3
2
home
7
10
9
2a
4
6
1
5
FIT
1:1
100%

Артикул

Название

Примечание

Количество

1

4899019

SCREW,Hex Flg, M8 x 1.25 x 35

15шт.

2

2853780

FILTER HEAD

ASSY

1шт.

2a

NSS

NOT SOLD SEPARAT

1шт.

3

2853781

PLUG,Hex, M22 x 1.5 ORB

1шт.

4

4896404

PLUNGER,10mm ID, 12mm OD, 15.44mm ID, 18.26mm OD

1шт.

5

4895045

SPRING,Compression, 14.7mm OD x 66mm L

1шт.

6

4896409

GASKET,1.55mm Thk

1шт.

7

J936365

VALVE PRESSURE RELIE

1шт.

8

2830559

GASKET,0.5mm Thk

1шт.

9

2853722

HEAT EXCHANGER

IN ALTERNATIVE

1шт.

9

4896406

HEAT EXCHANGER

IN ALTERNATIVE

1шт.

Выбрано товаров: 11