Качественные детали и логистика
Оригинальные и аналоговые запчасти с доставкой по России, Казахстану и Беларуси
©2022 PartSell ООО "Система" ИНН 2463123282 ОГРН 1212400004838
Центральный офис: г. Красноярск, Академика Киренского, д.87, пом.4
Телефон: 8 (800) 777-65-74 Email: zakaz@partsell.ru
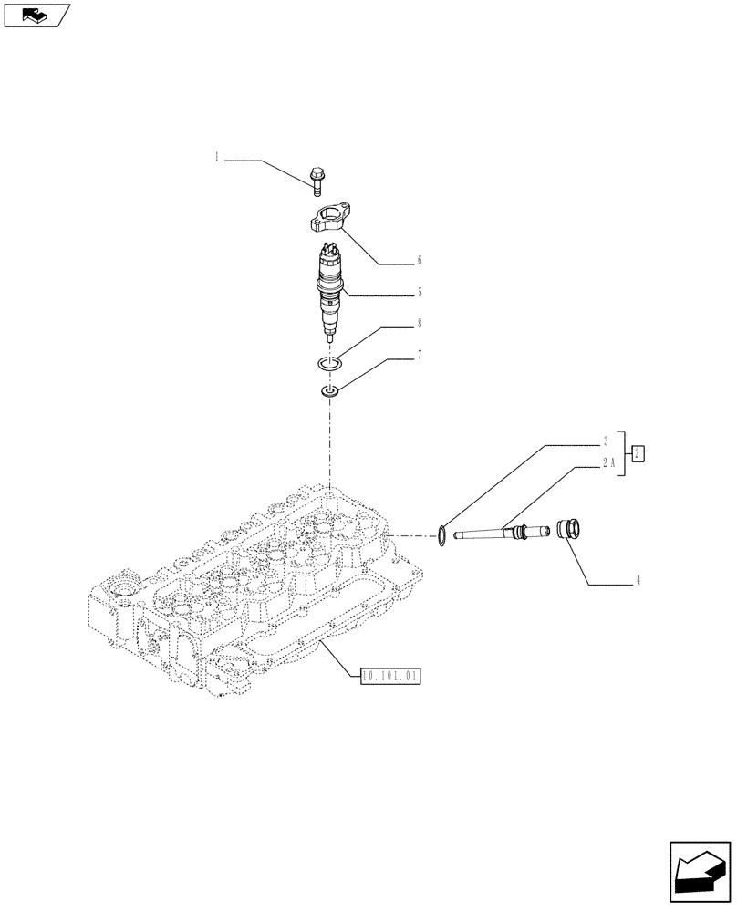
(10.218.02) - INJECTION EQUIPMENT - INJECTOR (2855490)
№
Артикул
Название
Примечание
Количество
1
4895483
BOLT,Flng, M6 x 1 x 35mm
8шт.
2
2854606
FUEL TUBE,Connector Assembly
ASSY
4шт.
2a
NSS
NOT SOLD SEPARAT
3
4890929
O-RING,3mm Thk x 11mm ID
1шт.
4
4893739
TUBE NUT,Hex, M22 x 1.5
5
2855491
FUEL SYSTEM INJECTOR
6
2854609
BRACKET
7
4899689
SEALING WASHER,7mm ID x 15mm OD x 1.5mm Thk
8
4890926
O-RING,3mm Thk x 20.9mm ID, 60 Duro
Выбрано товаров: 0