Качественные детали и логистика
Оригинальные и аналоговые запчасти с доставкой по России, Казахстану и Беларуси
©2022 PartSell ООО "Система" ИНН 2463123282 ОГРН 1212400004838
Центральный офис: г. Красноярск, Академика Киренского, д.87, пом.4
Телефон: 8 (800) 777-65-74 Email: zakaz@partsell.ru
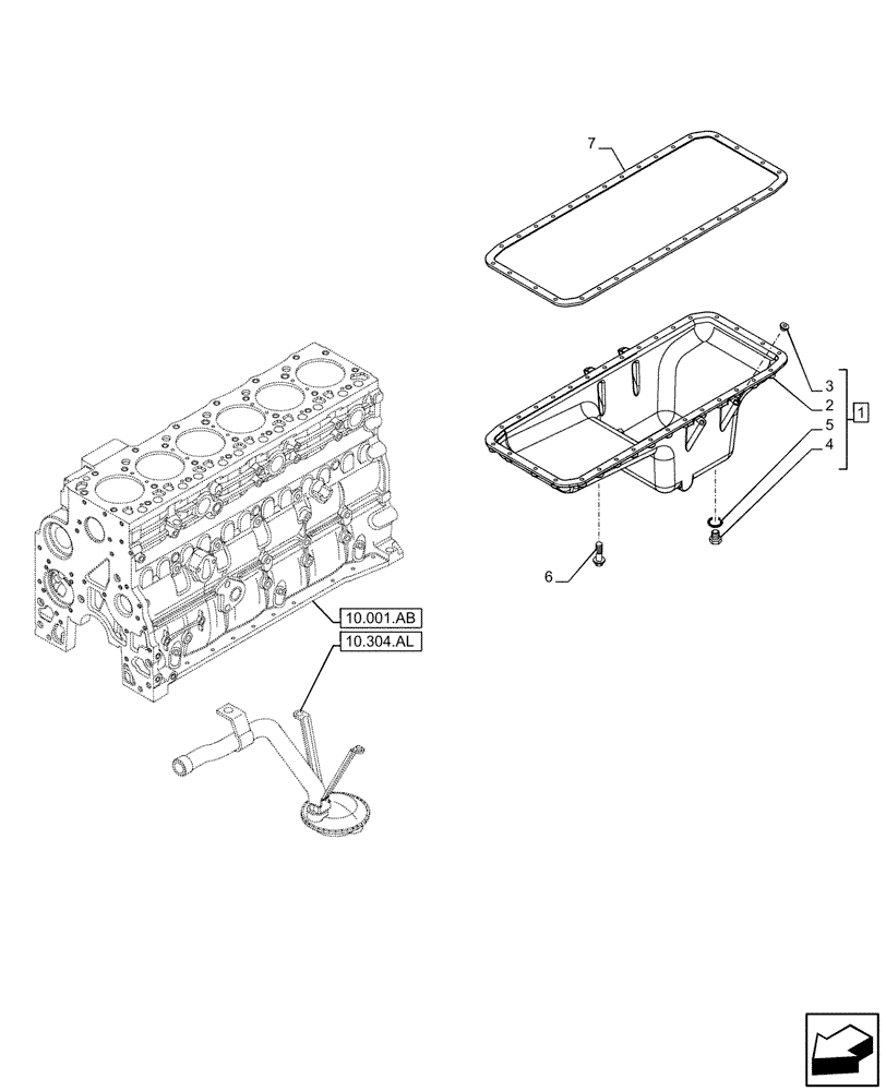
(10.102.AP) - ENGINE OIL PAN
№
Артикул
Название
Примечание
Количество
1
2852308
ENGINE OIL PAN
ASSY, Incl 3 - 5
1шт.
2
NSS
NOT SOLD SEPARAT
Pan-Oil, Incl in 1
3
4894139
PLUG,Hex Soc, M22 x 1.5
4
4890331
BUSHING
5
4895584
O-RING,0.924mm ID x 0.103mm Width
6
4899019
SCREW,Hex Flg, M8 x 1.25 x 35
14шт.
7
47590191
GASKET
Выбрано товаров: 0