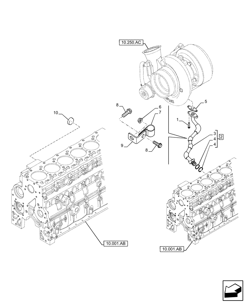
Запчасти Case F4HFE6131 B003 (10.250.AE) - TURBOCHARGER OIL RETURN LINE (10) - ENGINE

Схема запчастей Case F4HFE6131 B003 - (10.250.AE) - TURBOCHARGER OIL RETURN LINE (10) - ENGINE
10.250.ac
10
8
5
2
9
6
8
1
3
7
4
4
10.001.ab
10.001.ab
FIT
1:1
100%

Артикул

Название

Примечание

Количество

1

4899079

SCREW,Hex Flg, M8 x 1.25 x 25

2шт.

2

47542120

PIPE

ASSY, Turbo Oil Drain, Incl 8, 12

1шт.

3

NSS

NOT SOLD SEPARAT

Tube, Incl in 11

1шт.

4

2852801

O-RING

2шт.

5

4891288

GASKET,0.8mm Thk

1шт.

6

2852389

FLANGE NUT

1шт.

7

4896893

CLAMP,20mm W

1шт.

8

2852100

FLANGE BOLT,Hex, M8 x 1.25 x 16mm

2шт.

9

2852390

BRACKET

1шт.

10

4895089

PLUG,0.886" L

1шт.

Выбрано товаров: 10